PRODUCTS

  • Home
  • Giới thiệu sản phẩm

INA
DRS1560
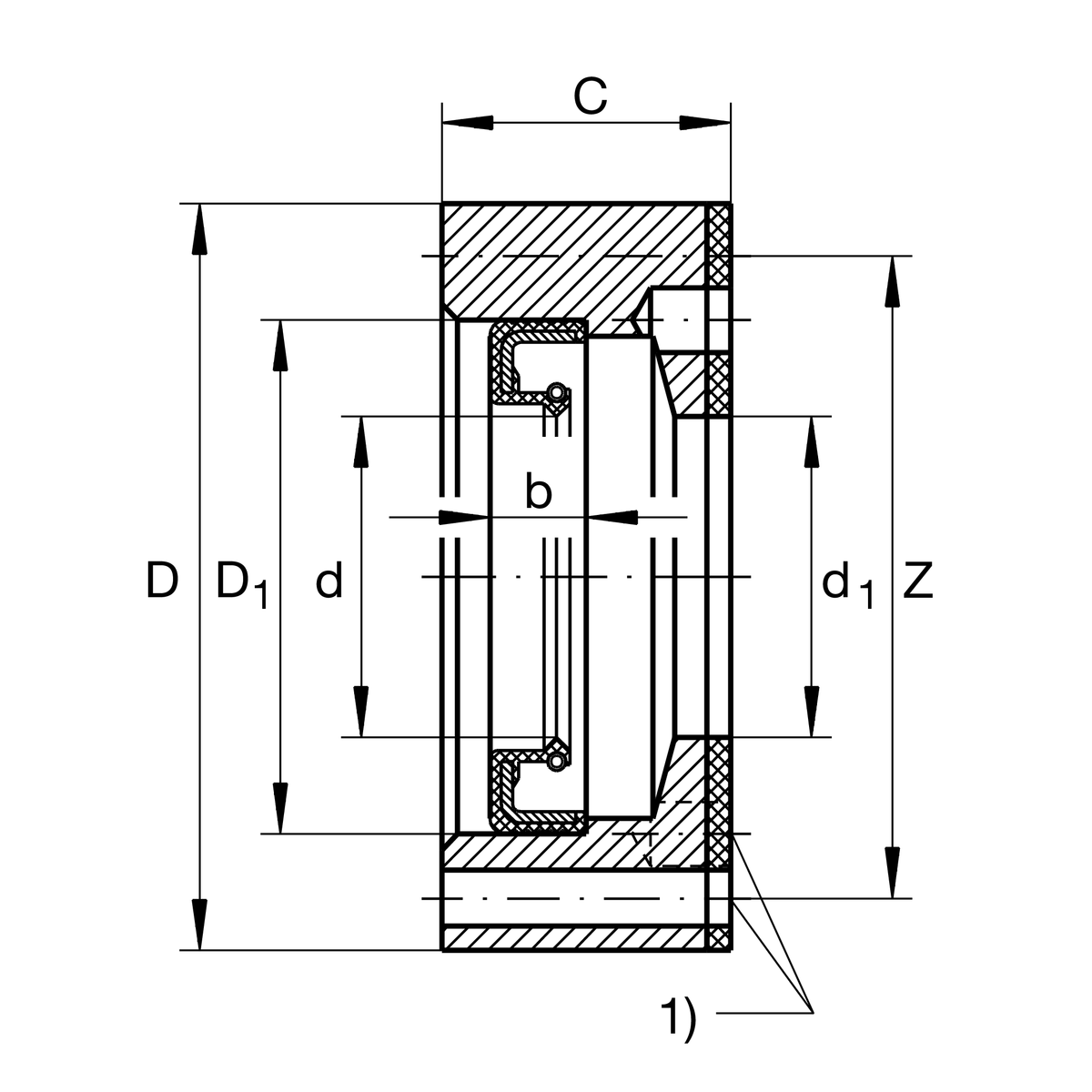
Seal carrier Assy DRS1560
Thêm vào yêu cầu báo giá
Main Dimensions & Performance Data
d1
35 mm
Inner diameter centering
D
60 mm
Outside diameter
C
14 mm
Width wave carrier
≈m
0.14 kg
Weight

Dimensions
Z
52.4 mm
Pitch circle diameter (holes)
d
35 mm
Inner diameter centering seal lip
D1
45 mm
Outside diameter seal
b
7 mm
Width seal
M3X20
Screw size
1)
4
Number of screws

Additional information
ZARF1560(-L)-TV
Bearing designation
Thêm vào yêu cầu báo giá