PRODUCTS

  • Home
  • Giới thiệu sản phẩm

FAG
UCFA206-19
Take-up housing unit UCFA206-19
Thêm vào yêu cầu báo giá
Main Dimensions & Performance Data
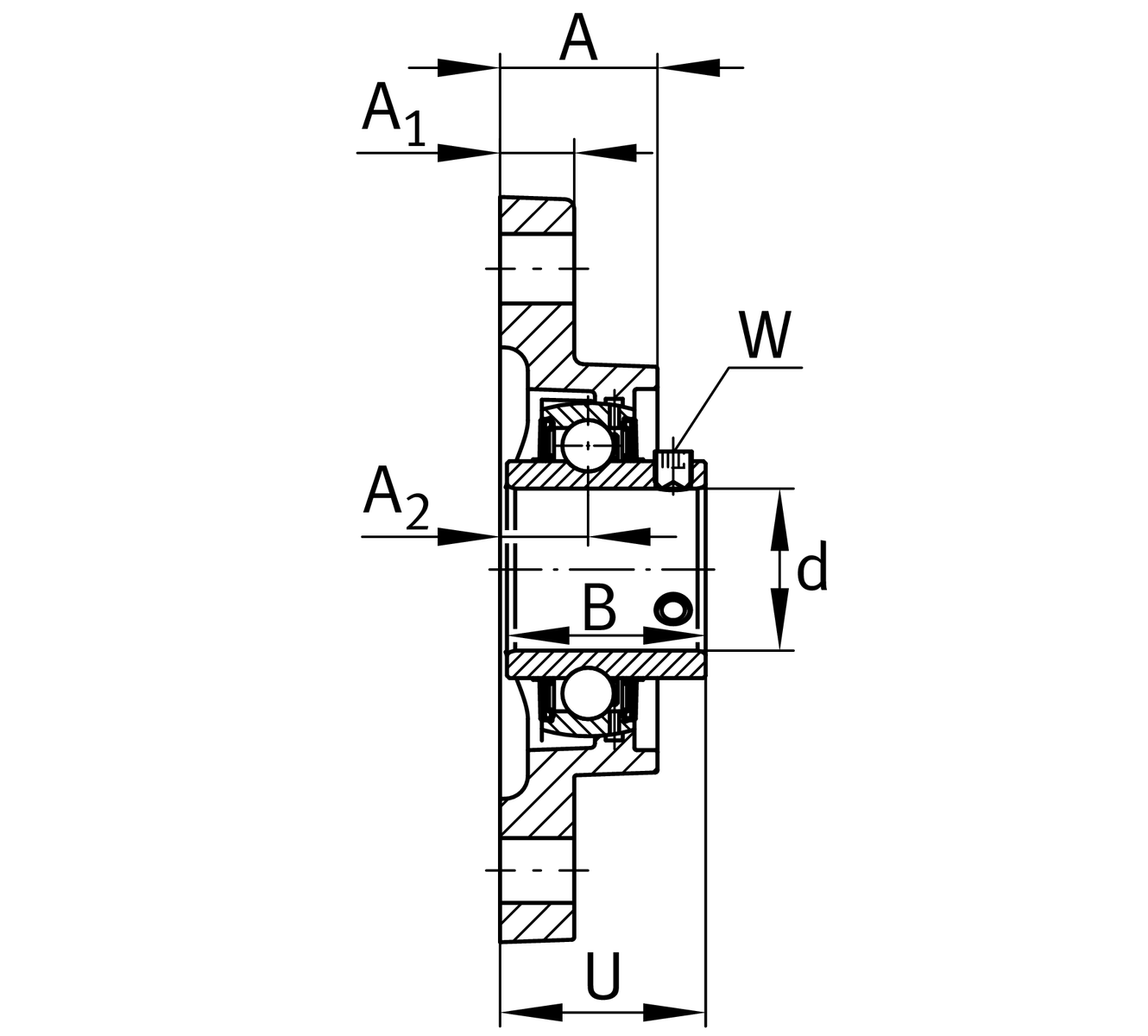
d
30.16 mm
Bore diameter
L
144 mm
Length total
U
40.2 mm
Total height unit
≈m
0.9 kg
Weight

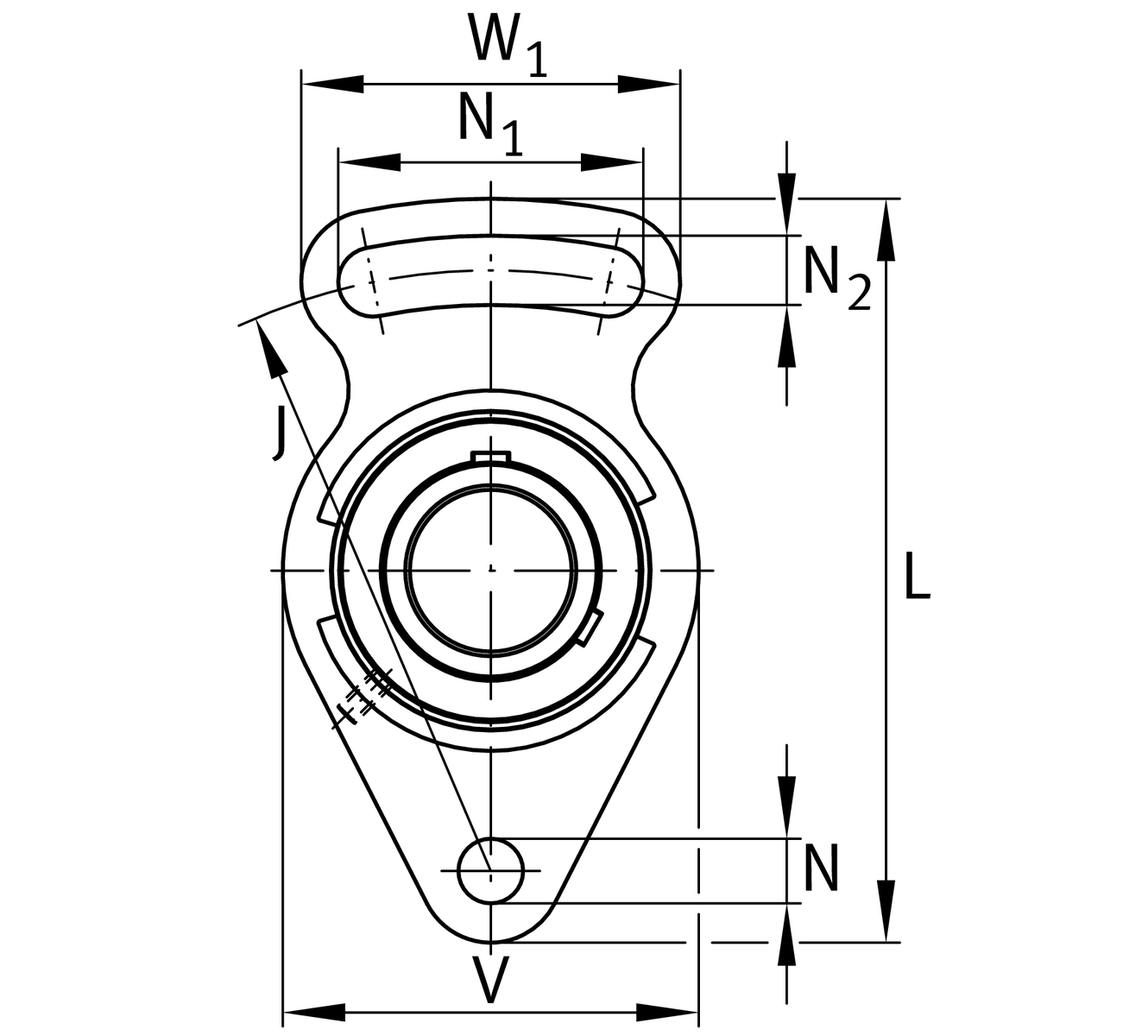
Mounting dimensions
N
12 mm
Fixing bore
N1
58 mm
Length (slot)
N2
12 mm
Width (slot)
J
117 mm
Distance fixing bore

Dimensions
A1
14 mm
Thickness of flange
A2
18 mm
Distance raceway
A
31 mm
Height housing
V
80 mm
Shoulder diameter housing
W
72 mm
Width housing slot side
Q
M6
Connection thread for lubrication

Additional information
FA206
Housing
UC206-19
Bearing designation

Temperature range
Tmin
-20 °C
Operating temperature min.
Tmax
120 °C
Operating temperature max.

Your current product variant
MaterialGGGrey cast iron
Thêm vào yêu cầu báo giá