PRODUCTS
- Home
- Giới thiệu sản phẩm
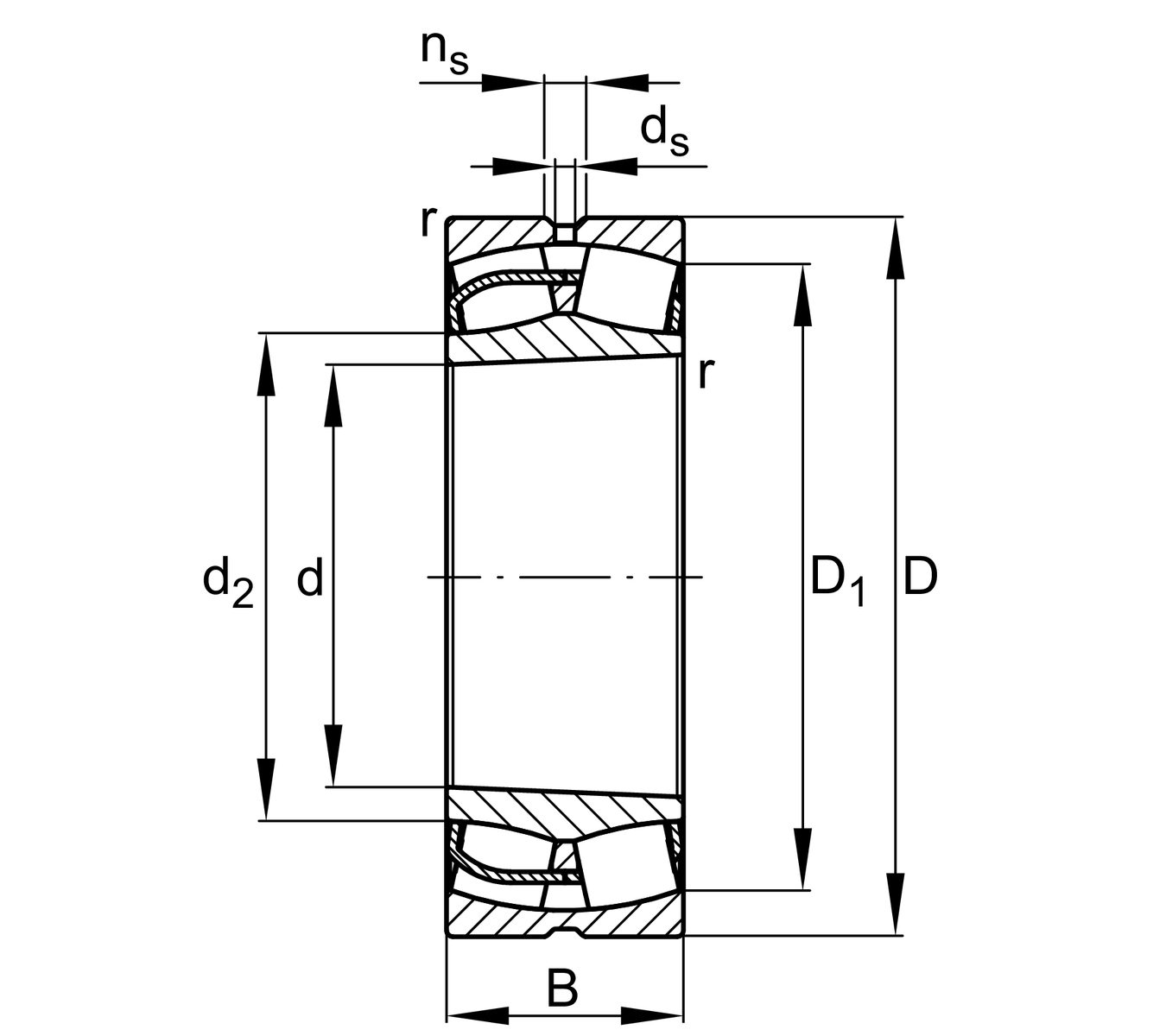
| d | 170 mm | Bore diameter |
| D | 360 mm | Outside diameter |
| B | 120 mm | Width |
| Cr | 1,870,000 N | Basic dynamic load rating, radial |
| C0r | 2,220,000 N | Basic static load rating, radial |
| Cur | 178,000 N | Fatigue load limit, radial |
| nG | 2,130 1/min | Limiting speed |
| nϑr | 1,320 1/min | Reference speed |
| ≈m | 55.52 kg | Weight |
| da min | 187 mm | Minimum diameter shaft shoulder |
| da max | 204 mm | Maximum diameter of shaft shoulder |
| Da max | 343 mm | Maximum diameter of housing shoulder |
| ra max | 3 mm | Maximum recess radius |
| db min | 185 mm | Minimum cavity diameter of the sleeve |
| Ba min | 8 mm | Minimum cavity width of the sleeve |
| rmin | 4 mm | Minimum chamfer dimension |
| D1 | 303.9 mm | Bore diameter outer ring |
| d2 | 213.1 mm | Raceway diameter of the inner ring |
| ds | 9.5 mm | Diameter lubrication hole |
| ns | 17.7 mm | Width of lubricating groove |
| Tmin | -30 °C | Operating temperature min. |
| Tmax | 200 °C | Operating temperature max. |
| e | 0.35 | Limiting value of Fa/Fr for the applicability of diff. Values of factors X and Y |
| Y1 | 1.95 | Dynamic axial load factor |
| Y2 | 2.9 | Dynamic axial load factor |
| Y0 | 1.91 | Static axial load factor |
H2334 | Adapter sleeve | |
AH2334G | Withdrawal sleeve |
| Design | BE | with lose center lip ring |
| Bore type | K | Tapered, taper 1:12 |
| Cage | JPB | Sheet metal cage |
| Radial internal clearance | C3 (Group 3) | Internal clearance larger than CN |
| Relubrication feature | Standard |