PRODUCTS
- Home
- Giới thiệu sản phẩm
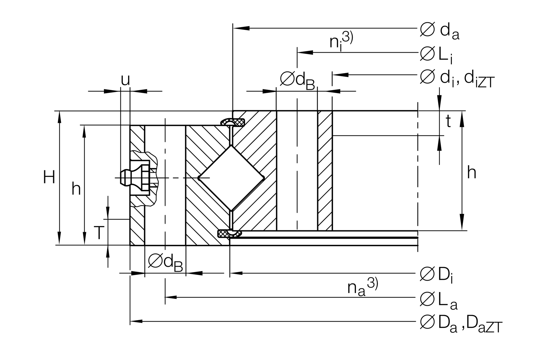
| di | 124.5 mm | Bore Diameter |
| di ZT | 126.5 mm | Diameter centring inner ring |
IT8 | Diameter centring inner ring tolerance | |
| t | 5 mm | Length centering inner ring |
| Da | 234 mm | Outside Diameter |
| Da ZT | 232 mm | Diameter centring outer ring |
-IT8 | Diameter centring outer ring tolerance | |
| T | 5 mm | Length centering outer ring |
| H | 35 mm | Height |
| ≈m | 7.015 kg | Weight |
| Di | 180 mm | Inner diameter outer ring |
0.2 mm | Inner diameter outer ring upper tolerance | |
-0.2 mm | Inner diameter outer ring lower tolerance | |
| ha | 30 mm | height outer ring |
| La | 214 mm | Pitchcircle diameter fixing holes outer ring |
| na | 12 | Number of fixing holes in outer ring |
| da | 178 mm | Outside diameter inner ring |
0.2 mm | Outside diameter inner ring upper tolerance | |
-0.2 mm | Outside diameter inner ring lower tolerance | |
| hi | 30 mm | height of inner ring |
| dB | 11 mm | Fixing bore |
| Li | 144.5 mm | Pitchcircle diameter fixing holes inner ring |
| ni | 12 | Number of fixing holes in inner ring |
| umax | 6 mm | Max. protrusion lubrication nipple |
| VSPmin | 0 mm | Min. bearing preload |
| VSPmax | 0.02 mm | Maximum bearing preload |
| Tmin | -30 °C | Operating temperature min. |
| Tmax | 80 °C | Operating temperature max. |
| Ca | 104,000 N | Basic dynamic load rating, axial |
| Cr | 74,000 N | Basic dynamic load rating, radial (for radial load only) |
| C0a | 193,000 N | Basic static load rating, axial |
| C0r | 94,000 N | Basic static load rating, radial (for radial load only) |
| Fr zu. | 33,600 N | Max. radial load screws |
| Centering | ZT | Centering on inner and outer ring |