PRODUCTS
- Home
- Giới thiệu sản phẩm
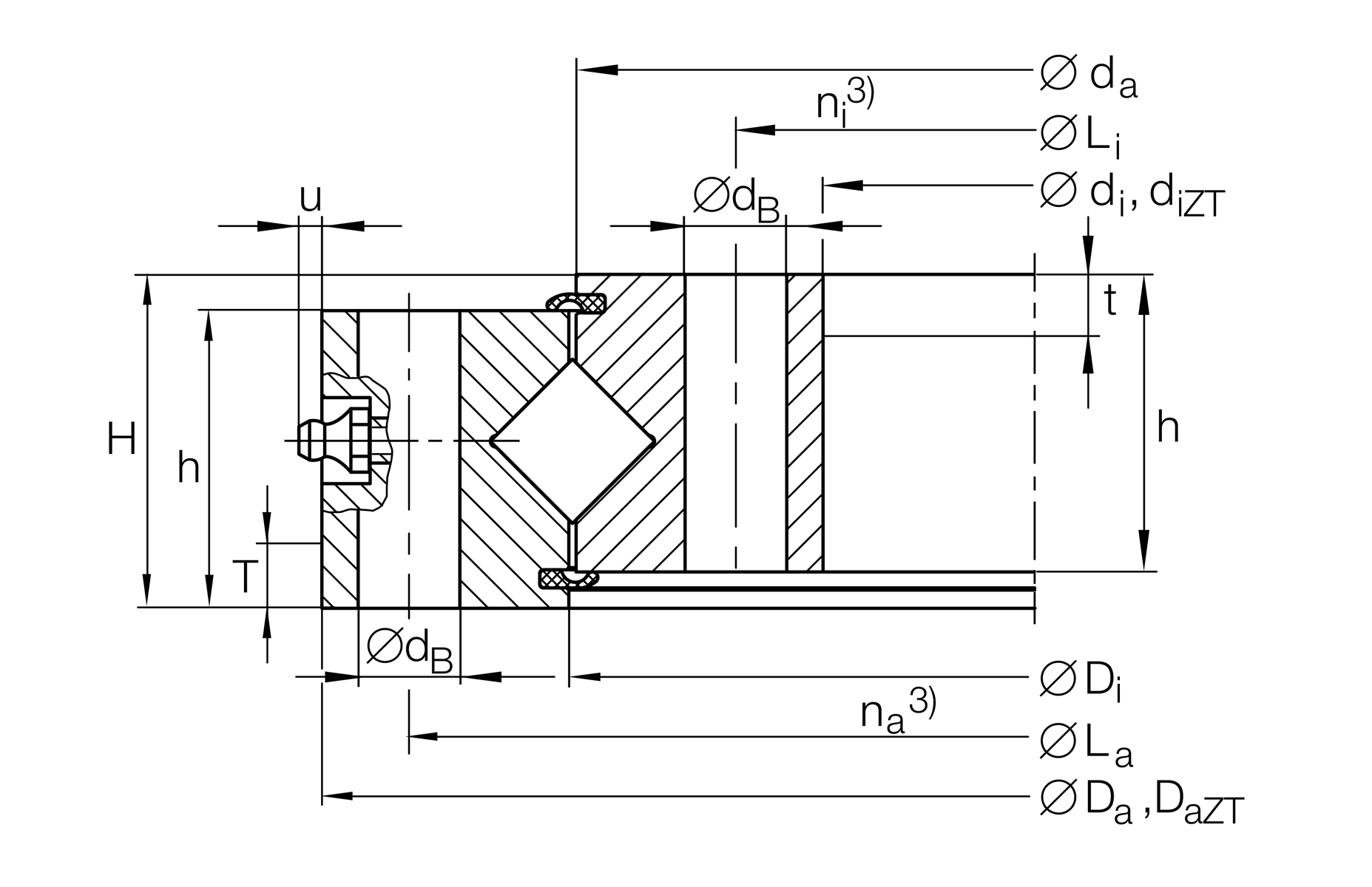
| di | 124.5 mm | Bore Diameter |
0.5 mm | Bore diameter upper tolerance | |
-0.5 mm | Bore diameter lower tolerance | |
| Da | 234 mm | Outside Diameter |
0.5 mm | Outside diameter upper tolerance | |
-0.5 mm | Outside diameter lower tolerance | |
| H | 35 mm | Height |
| ≈m | 6.358 kg | Weight |
| Di | 180 mm | Inner diameter outer ring |
0.2 mm | Inner diameter outer ring upper tolerance | |
-0.2 mm | Inner diameter outer ring lower tolerance | |
| ha | 30 mm | height outer ring |
| La | 214 mm | Pitchcircle diameter fixing holes outer ring |
| na | 12 | Number of fixing holes in outer ring |
| da | 178 mm | Outside diameter inner ring |
0.2 mm | Outside diameter inner ring upper tolerance | |
-0.2 mm | Outside diameter inner ring lower tolerance | |
| hi | 30 mm | height of inner ring |
| dB | 11 mm | Fixing bore |
| Li | 144.5 mm | Pitchcircle diameter fixing holes inner ring |
| ni | 12 | Number of fixing holes in inner ring |
| umax | 6 mm | Max. protrusion lubrication nipple |
| VSPmax | 0.02 mm | Maximum bearing preload |
| Tmin | -30 °C | Operating temperature min. |
| Tmax | 80 °C | Operating temperature max. |
| Ca | 105,000 N | Basic dynamic load rating, axial |
| Cr | 75,000 N | Basic dynamic load rating, radial (for radial load only) |
| C0a | 194,000 N | Basic static load rating, axial |
| C0r | 95,000 N | Basic static load rating, radial (for radial load only) |
| Fr zu. | 33,600 N | Max. radial load screws |