PRODUCTS

  • Home
  • Giới thiệu sản phẩm

INA
CRB30/92-XL
Radial insert ball bearing CRB30/92-XL
Thêm vào yêu cầu báo giá
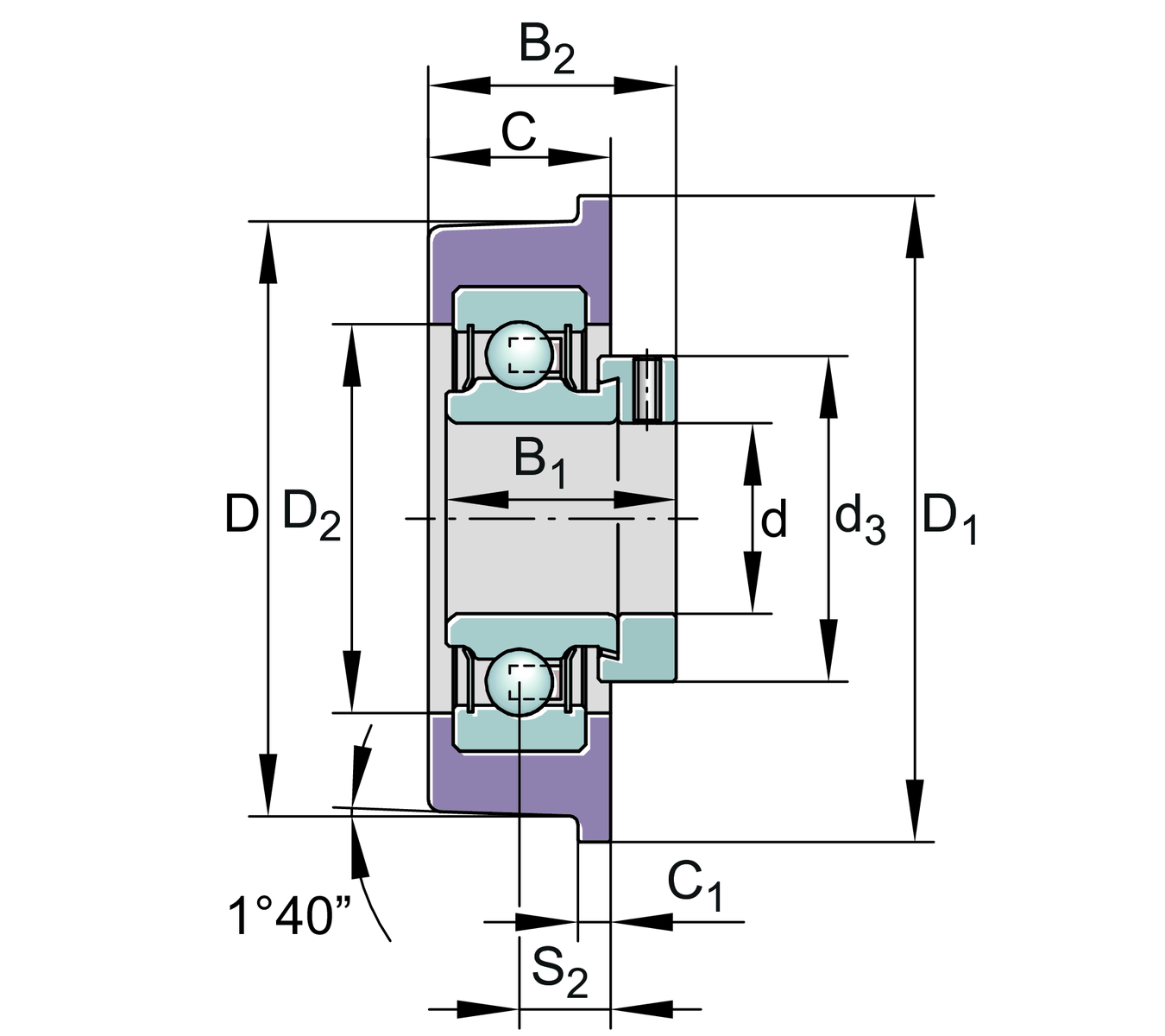
Main Dimensions & Performance Data
d
30 mm
Bore diameter
D
93 mm
Outside diameter
C
28 mm
Width, outer ring
B2
40.7 mm
Width total
B1
35.8 mm
Locking collar total width
Cr
20,700 N
Basic dynamic load rating, radial
C0r
11,300 N
Basic static load rating, radial
Cur
480 N
Fatigue load limit, radial
1,400 N
Load carrying capacity (rubber interliner)
≈m
0.47 kg
Weight

Dimensions
D1
98 mm
Flange diameter
C1
5 mm
Thickness of flange
D2
56 mm
Flange diameter rubber interliner
d3
44 mm
Outside diameter locking collar/locknut
S2
14 mm
Distance raceway to rubber interliner flange side

Calculation factors
f0
13.8
Calculation factor

Additional information
RAE30-XL-NPP
Bearing designation
Shore A
80 °
Hardness rubber interliner
Thêm vào yêu cầu báo giá