PRODUCTS

  • Home
  • Giới thiệu sản phẩm

INA
81206-TV
Axial cylindrical roller bearing 81206-TV
Thêm vào yêu cầu báo giá
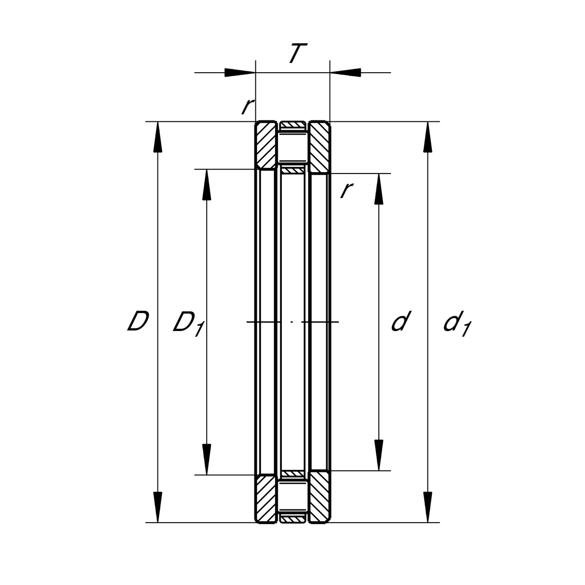
Main Dimensions & Performance Data
d
30 mm
Bore diameter
T
16 mm
Height
Ca
64,000 N
Basic dynamic load rating, axial
C0a
141,000 N
Basic static load rating, axial
Cua
14,400 N
Fatigue load limit, axial
nG
7,000 1/min
Limiting speed
nϑr
2,650 1/min
Reference speed
D
52 mm
Outside diameter
≈m
122.5 g
Weight

Mounting dimensions
da min
50 mm
Minimum diameter shaft shoulder
Da max
31 mm
Maximum diameter of housing shoulder
ra max
0.6 mm
Maximum recess radius

Dimensions
D1
32 mm
Bore diameter housing washer
d1
52 mm
Rip diameter shaft washer
rmin
0.6 mm
Minimum chamfer dimension

Temperature range
Tmin
-30 °C
Operating temperature min.
Tmax
120 °C
Operating temperature max.

Additional information
K81206-TV
Axial roller and cage assembly
GS81206
Housing Washer
WS81206
Shaft washer

Your current product variant
CageTVPlastic Cage made from PA66
Thêm vào yêu cầu báo giá