PRODUCTS

  • Home
  • Giới thiệu sản phẩm

FAG
22332-BE-XL-K
Spherical Roller Bearing 22332-BE-XL-K
Thêm vào yêu cầu báo giá
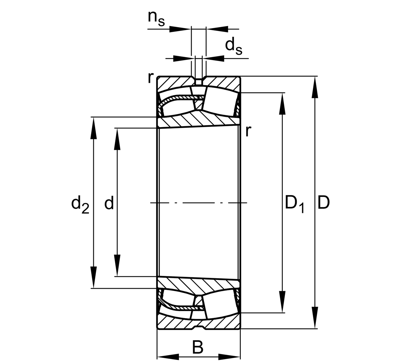
Main Dimensions & Performance Data
d
160 mm
Bore diameter
D
340 mm
Outside diameter
B
114 mm
Width
Cr
1,680,000 N
Basic dynamic load rating, radial
C0r
1,990,000 N
Basic static load rating, radial
Cur
162,000 N
Fatigue load limit, radial
nG
2,250 1/min
Limiting speed
nϑr
1,420 1/min
Reference speed
≈m
47.205 kg
Weight

Mounting dimensions
da min
177 mm
Minimum diameter shaft shoulder
da max
191 mm
Maximum diameter of shaft shoulder
Da max
323 mm
Maximum diameter of housing shoulder
ra max
3 mm
Maximum recess radius
db min
174 mm
Minimum cavity diameter of the sleeve
Ba min
8 mm
Minimum cavity width of the sleeve

Dimensions
rmin
4 mm
Minimum chamfer dimension
D1
286.7 mm
Bore diameter outer ring
d2
201.2 mm
Raceway diameter of the inner ring
ds
9.5 mm
Diameter lubrication hole
ns
17.7 mm
Width of lubricating groove

Temperature range
Tmin
-30 °C
Operating temperature min.
Tmax
200 °C
Operating temperature max.

Calculation factors
e
0.35
Limiting value of Fa/Fr for the applicability of diff. Values of factors X and Y
Y1
1.94
Dynamic axial load factor
Y2
2.88
Dynamic axial load factor
Y0
1.89
Static axial load factor

Additional information
H2332
Adapter sleeve
AH2332G
Withdrawal sleeve

Your current product variant
DesignBEwith lose center lip ring
Bore typeKTapered, taper 1:12
CageJPBSheet metal cage
Radial internal clearanceCN (Group N)Normal internal clearance
Relubrication featureStandard
Thêm vào yêu cầu báo giá