PRODUCTS

  • Home
  • Giới thiệu sản phẩm

FAG
20324-MB
Barrel roller bearing 20324-MB
Thêm vào yêu cầu báo giá
Main Dimensions & Performance Data
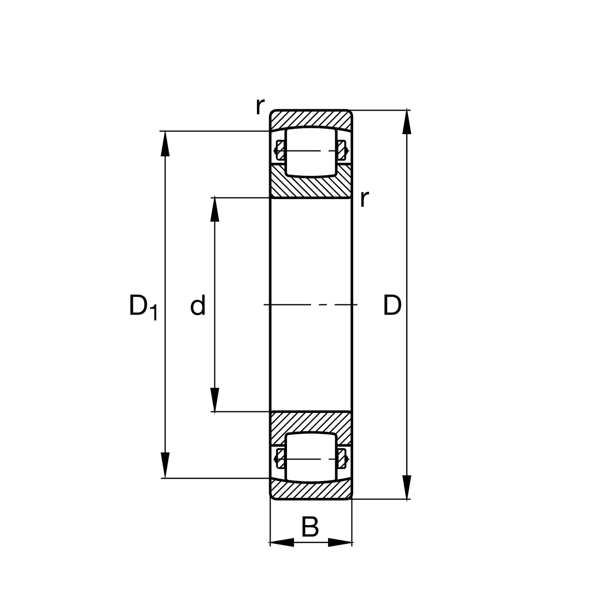
d
120 mm
Bore diameter
D
260 mm
Outside diameter
B
55 mm
Width
Cr
490,000 N
Basic dynamic load rating, radial
C0r
630,000 N
Basic static load rating, radial
Cur
52,000 N
Fatigue load limit, radial
nG
2,750 1/min
Limiting speed
≈m
15.1 kg
Weight

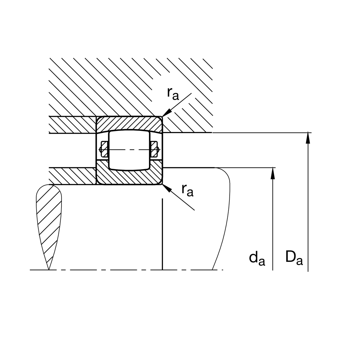
Mounting dimensions
da min
134 mm
Minimum diameter shaft shoulder
Da max
246 mm
Maximum diameter of housing shoulder
ra max
2.5 mm
Maximum recess radius

Dimensions
rmin
3 mm
Minimum chamfer dimension
D1
222.3 mm
Bore diameter outer ring

Temperature range
Tmin
-30 °C
Operating temperature min.
Tmax
200 °C
Operating temperature max.

Your current product variant
Bore typeZCylindrical
CageMBSolid brass cage
Radial internal clearanceCN (Group N)Normal internal clearance
Thêm vào yêu cầu báo giá