PRODUCTS

  • Home
  • Giới thiệu sản phẩm

FAG
16032-MA-C3
Deep groove ball bearing 16032-MA-C3
Thêm vào yêu cầu báo giá
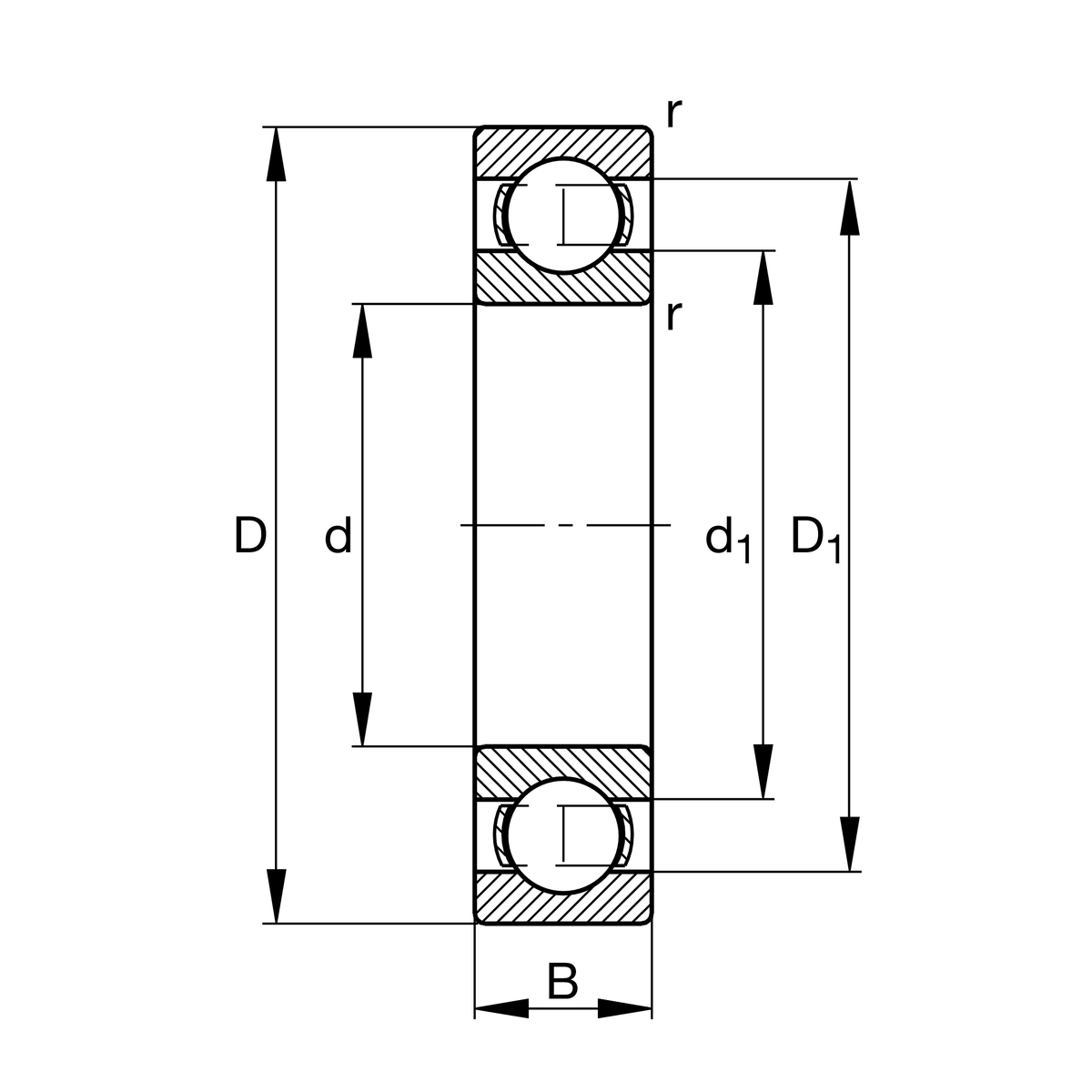
Main Dimensions & Performance Data
d
160 mm
Bore diameter
D
240 mm
Outside diameter
B
25 mm
Width
Cr
109,000 N
Basic dynamic load rating, radial
C0r
114,000 N
Basic static load rating, radial
Cur
4,750 N
Fatigue load limit, radial
nG
4,950 1/min
Limiting speed
nϑr
2,950 1/min
Reference speed
≈m
4.3 kg
Weight

Mounting dimensions
da min
167 mm
Minimum diameter shaft shoulder
Da max
233 mm
Maximum diameter of housing shoulder
ra max
1.5 mm
Maximum fillet radius

Dimensions
rmin
1.5 mm
Minimum chamfer dimension
D1
213.2 mm
Shoulder diameter outer ring
d1
187.28 mm
Shoulder diameter inner ring

Temperature range
Tmin
-30 °C
Operating temperature min.
Tmax
150 °C
Operating temperature max.

Calculation factors
f0
16.5
Calculation factor

Your current product variant
SealingWithoutNot sealed
CageMAsolid brass cage, outer ring guided
Tolerance classPNNormal (PN)
Dimensional / heat stabilization S0Rings dimensional stabilized up to 150°
LubricantWithoutBearing not greased
Bore typeZCylindrical
Radial internal clearanceC3 (Group 3)Internal clearance larger than CN
Thêm vào yêu cầu báo giá