PRODUCTS
- Home
- Giới thiệu sản phẩm
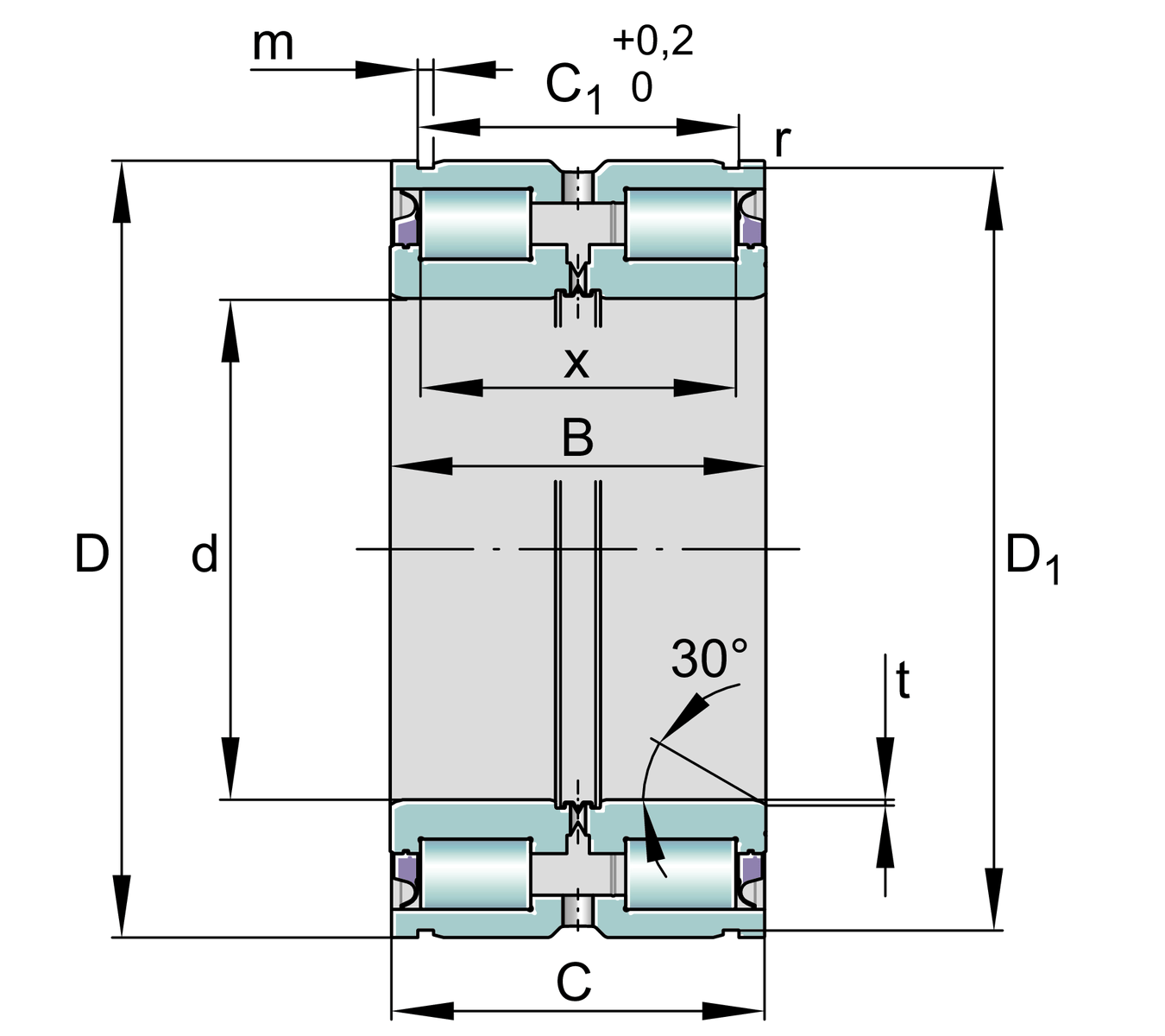
| d | 150 mm | Bore diameter |
| D | 225 mm | Outside diameter |
| B | 100 mm | Width |
| Cr | 710,000 N | Basic dynamic load rating, radial |
| C0r | 1,260,000 N | Basic static load rating, radial |
| Cur | 166,000 N | Fatigue load limit, radial |
| nG Grease | 850 1/min | Limiting speed for grease lubrication |
| ≈m | 12.8 kg | Weight |
| Ca1 | 81 mm | Mounting dim for snap ring WRE (not included in delivery) Tolerance: 0/-0,2 |
| Ca2 | 77 mm | Mounting dim for retaining ring to DIN 471 (not incl. In delivery) Tol: 0/-0,2 |
| d1 | 176 mm | Rib diameter inner ring |
| d2 | 192 mm | Sealing diameter (rib) |
| d3 | 245 mm | Outside diameter of snap ring WRE |
| d1 min | 176 mm | Minimum diameter shaft shoulder |
30 ° | Chamfer angle | |
-0.2 mm | Lower distance snap ring tolerance | |
-0.2 mm | Lower distance retaining ring tolerance | |
0 mm | Upper distance snap ring tolerance | |
0 mm | Upper distance retaining ring tolerance | |
0 mm | Lower distance ring groove tolerance | |
0.2 mm | Upper distance ring groove tolerance |
| C | 99 mm | Width, outer ring |
| C1 | 87.2 mm | Distance ring grooves |
| D1 | 221 mm | Diameter of groove |
| m | 5.2 mm | Width of groove |
| rmin | 0.6 mm | Minimum chamfer dimension |
| t | 2 mm | Chamfer width |
| X | 80 mm | Distance between rolling elements |
| Tmin | -30 °C | Operating temperature min. |
| Tmax | 80 °C | Operating temperature max. |
| Design | D | New outer Contour |
| Sealing | PP | Contact Seal on both sides |
| Radial internal clearance | C3 (Group 3) | Internal clearance larger than CN |
| Tolerance class | PN | Normal (PN) |
| Number of rolling element rows | 2 | Double-row design |