PRODUCTS

  • Home
  • Giới thiệu sản phẩm

FAG
16006
Deep groove ball bearing 16006
Thêm vào yêu cầu báo giá
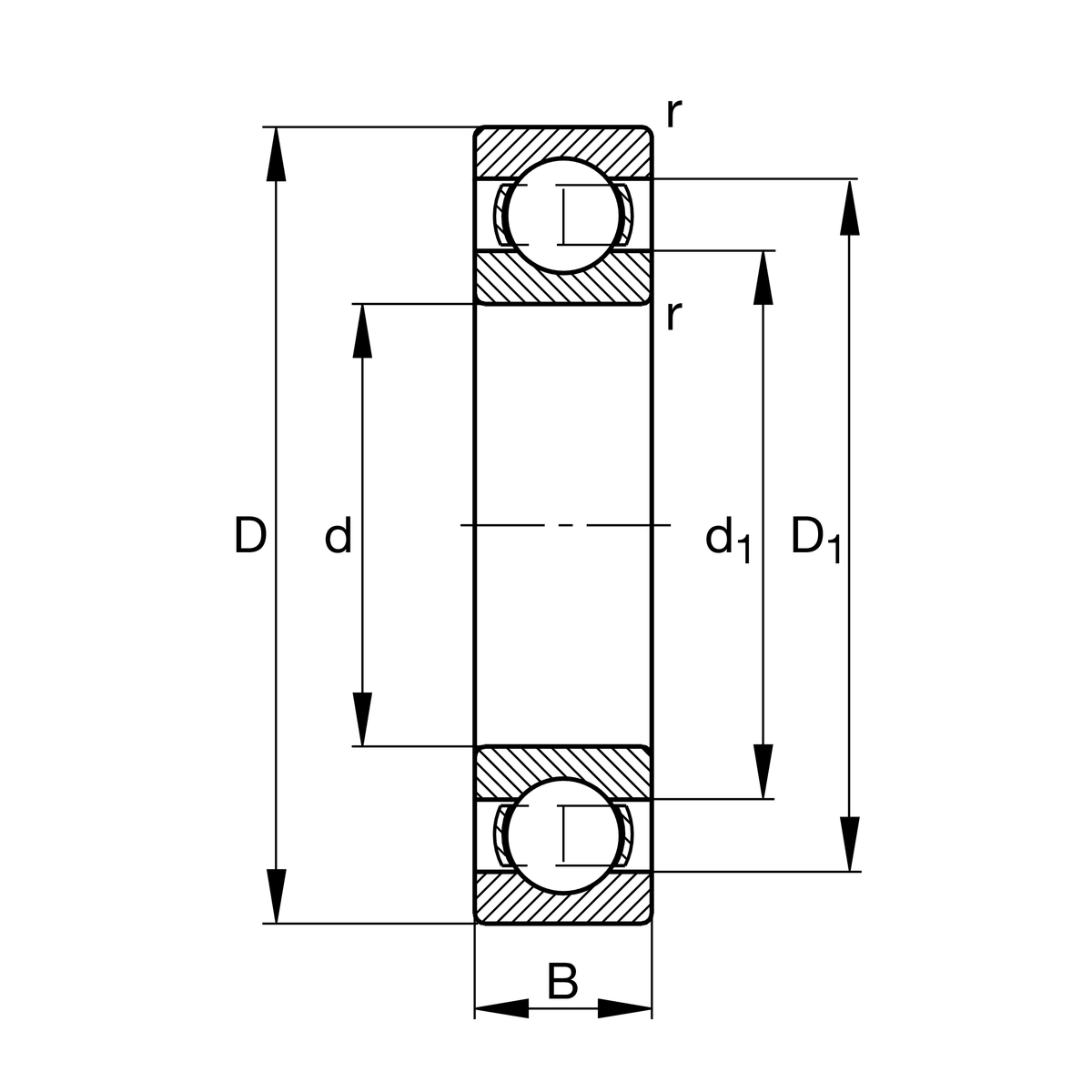
Main Dimensions & Performance Data
d
30 mm
Bore diameter
D
55 mm
Outside diameter
B
9 mm
Width
Cr
11,900 N
Basic dynamic load rating, radial
C0r
7,300 N
Basic static load rating, radial
Cur
390 N
Fatigue load limit, radial
nG
18,900 1/min
Limiting speed
nϑr
10,500 1/min
Reference speed
≈m
85 g
Weight

Mounting dimensions
da min
32 mm
Minimum diameter shaft shoulder
Da max
53 mm
Maximum diameter of housing shoulder
ra max
0.3 mm
Maximum fillet radius

Dimensions
rmin
0.3 mm
Minimum chamfer dimension
D1
47.48 mm
Shoulder diameter outer ring
D2
48.78 mm
Caliber diameter outer ring
d1
37.7 mm
Shoulder diameter inner ring

Temperature range
Tmin
-30 °C
Operating temperature min.
Tmax
120 °C
Operating temperature max.

Calculation factors
f0
15.1
Calculation factor

Your current product variant
SealingWithoutNot sealed
CageJNsteel sheet metal
Tolerance classPNNormal (PN)
Dimensional / heat stabilization SNRings dimensional stabilized up to 120°
LubricantWithoutBearing not greased
Bore typeZCylindrical
Radial internal clearanceCN (Group N)Normal internal clearance
Thêm vào yêu cầu báo giá