PRODUCTS

  • Home
  • Giới thiệu sản phẩm

Schaeffler
HYDNUT850-E
Hydraulic nut HYDNUT850-E
Thêm vào yêu cầu báo giá
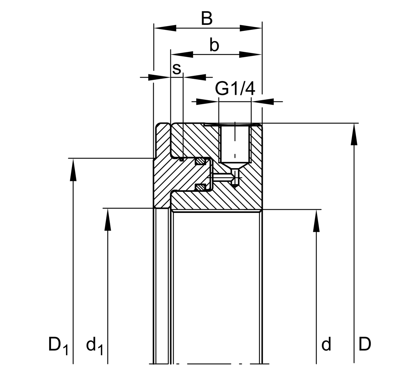
Technical data
d
Tr850x7
Thread
D
1,020 mm
Outer Diameter
B
101 mm
Width
b
85 mm
Width press ring
D1
960 mm
d1
853 mm
s
29 mm
Stroke, max.
1,156.1 cm²
Piston surface
300 bar
Pressure, max.
3,468 kN
Drive-up force, max.
≈m
190.8 kg
Weight

Additional information
1 pc. Hydraulic nut, 3 pcs. Clamping screws, 1 pc. Screw plug, 1 pc. Connection nipple, 3 pcs. to 5 pcs. Threaded pins, 1 pc. Hand lever, 1 pc. Replacement seal set, 1 pc. User manual
Scope of delivery

Your current product variant
SeriesEmetric fine pitch thread/trapezoid thread
Thêm vào yêu cầu báo giá