PRODUCTS

  • Home
  • Giới thiệu sản phẩm

Schaeffler
HYDNUT650-HEAVY
Hydraulic nut HYDNUT650-HEAVY
Thêm vào yêu cầu báo giá
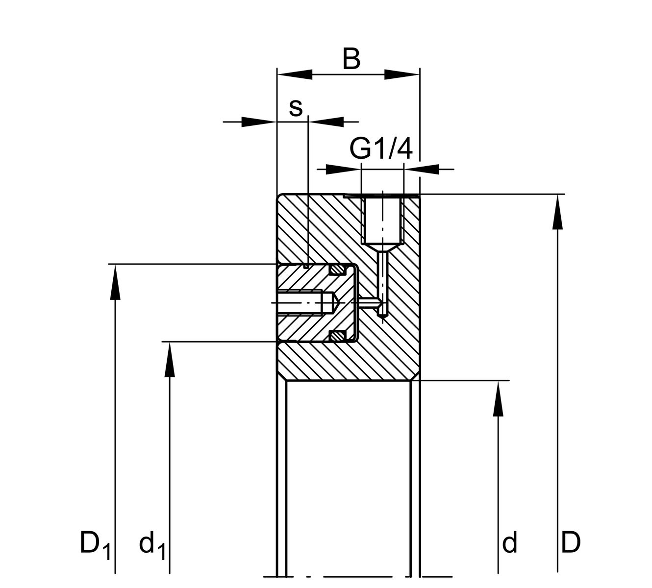
Technical data
d
650 mm
Inner diameter (tolerance: H7)
D
980 mm
Outer Diameter
B
84 mm
Width
D1
875 mm
d1
695 mm
s
28 mm
Stroke, max.
2,220 cm²
Piston surface
300 bar
Pressure, max.
6,660 kN
Drive-up force, max.
≈m
274 kg
Weight

Additional information
1 pc. Hydraulic nut, 1 pc. Screw plug, 1 pc. Connection nipple, 1 pc. Replacement seal set, 1 pc. User manual
Scope of delivery

Your current product variant
SeriesHEAVYreinforced version without thread
Thêm vào yêu cầu báo giá