PRODUCTS

  • Home
  • Giới thiệu sản phẩm

Schaeffler
HYDNUT610-E
Hydraulic nut HYDNUT610-E
Thêm vào yêu cầu báo giá
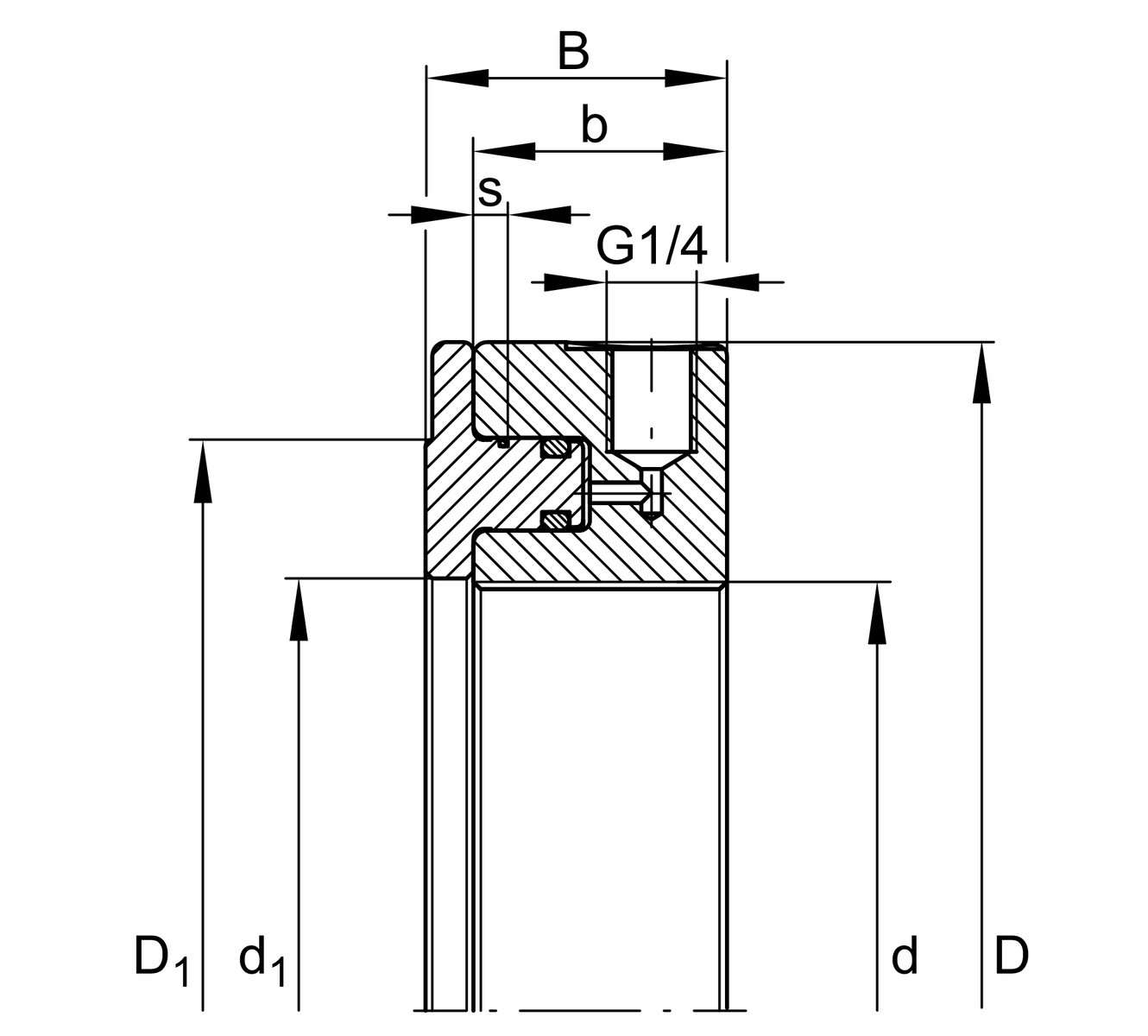
Technical data
d
Tr610x6
Thread
D
760 mm
Outer Diameter
B
89 mm
Width
b
75 mm
Width press ring
D1
705 mm
d1
613 mm
s
24 mm
Stroke, max.
686.6 cm²
Piston surface
400 bar
Pressure, max.
2,747 kN
Drive-up force, max.
≈m
113.7 kg
Weight

Additional information
1 pc. Hydraulic nut, 3 pcs. Clamping screws, 1 pc. Screw plug, 1 pc. Connection nipple, 3 pcs. to 5 pcs. Threaded pins, 1 pc. Hand lever, 1 pc. Replacement seal set, 1 pc. User manual
Scope of delivery

Your current product variant
SeriesEmetric fine pitch thread/trapezoid thread
Thêm vào yêu cầu báo giá