PRODUCTS

  • Home
  • Giới thiệu sản phẩm

Schaeffler
HYDNUT550-HEAVY
Hydraulic nut HYDNUT550-HEAVY
Thêm vào yêu cầu báo giá
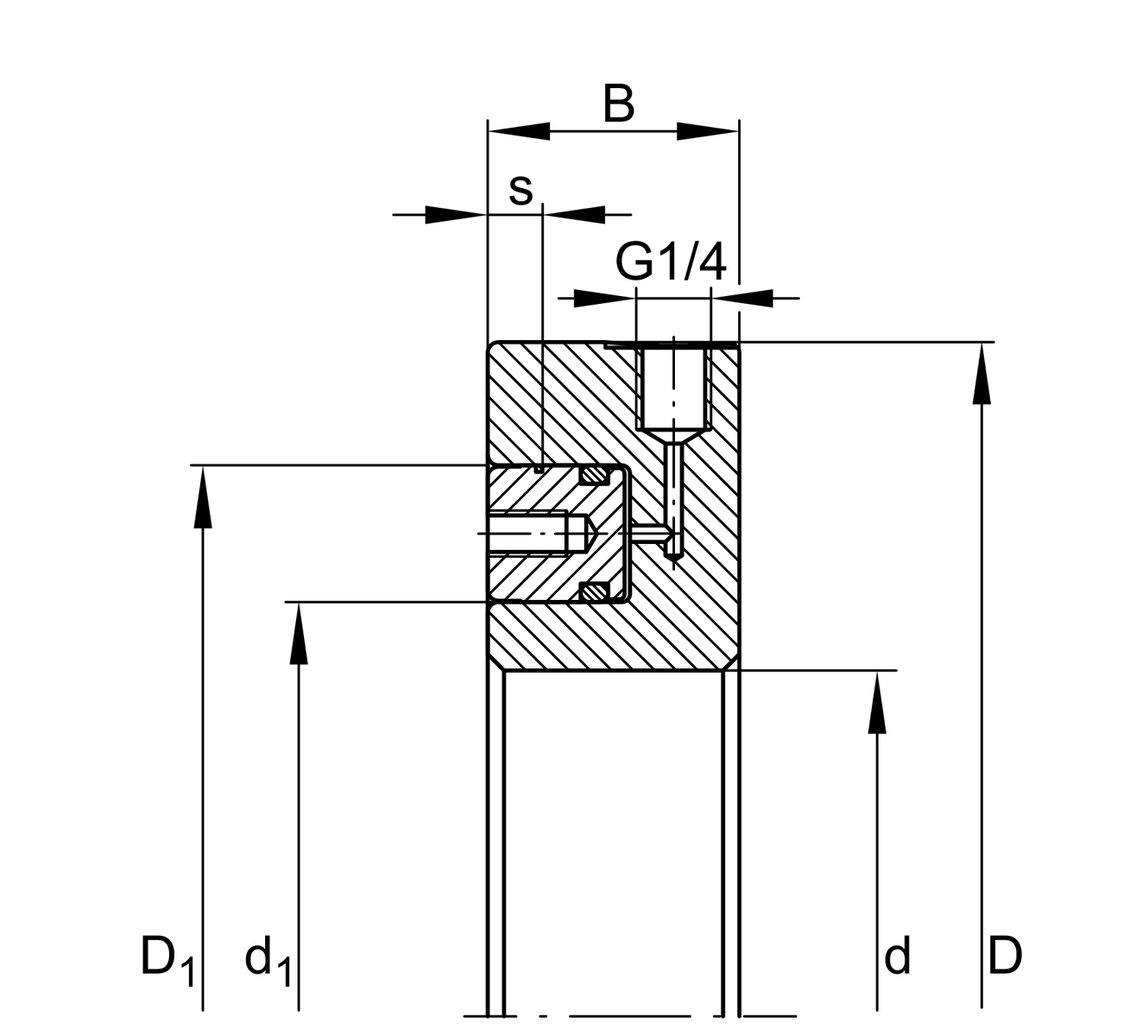
Technical data
d
550 mm
Inner diameter (tolerance: H7)
D
835 mm
Outer Diameter
B
68 mm
Width
D1
742 mm
d1
590 mm
s
22 mm
Stroke, max.
1,590 cm²
Piston surface
400 bar
Pressure, max.
6,360 kN
Drive-up force, max.
≈m
162.8 kg
Weight

Additional information
1 pc. Hydraulic nut, 1 pc. Screw plug, 1 pc. Connection nipple, 1 pc. Replacement seal set, 1 pc. User manual
Scope of delivery

Your current product variant
SeriesHEAVYreinforced version without thread
Thêm vào yêu cầu báo giá