PRODUCTS

  • Home
  • Giới thiệu sản phẩm

INA
ZARF2575-TV
Needle roller/axial cylindrical roller bearing ZARF2575-TV
Thêm vào yêu cầu báo giá
Main Dimensions & Performance Data
d
25 mm
Bore diameter
D
75 mm
Outside diameter
H
50 mm
Hight
Ca
35,500 N
Basic dynamic load rating, axial
C0a
86,000 N
Basic static load rating, axial
Cr
22,600 N
Basic dynamic load rating, radial
C0r
36,000 N
Basic static load rating, radial
Cua
7,300 N
Fatigue load limit, axial
Cur
5,200 N
Fatigue load limit, radial
nG Oil
6,000 1/min
Limiting speed for oil lubrication
nG Grease
1,900 1/min
Limiting speed for grease lubrication
MRL
0.55 Nm
Bearing friction torque
≈m
0.701 kg
Weight

Mounting dimensions
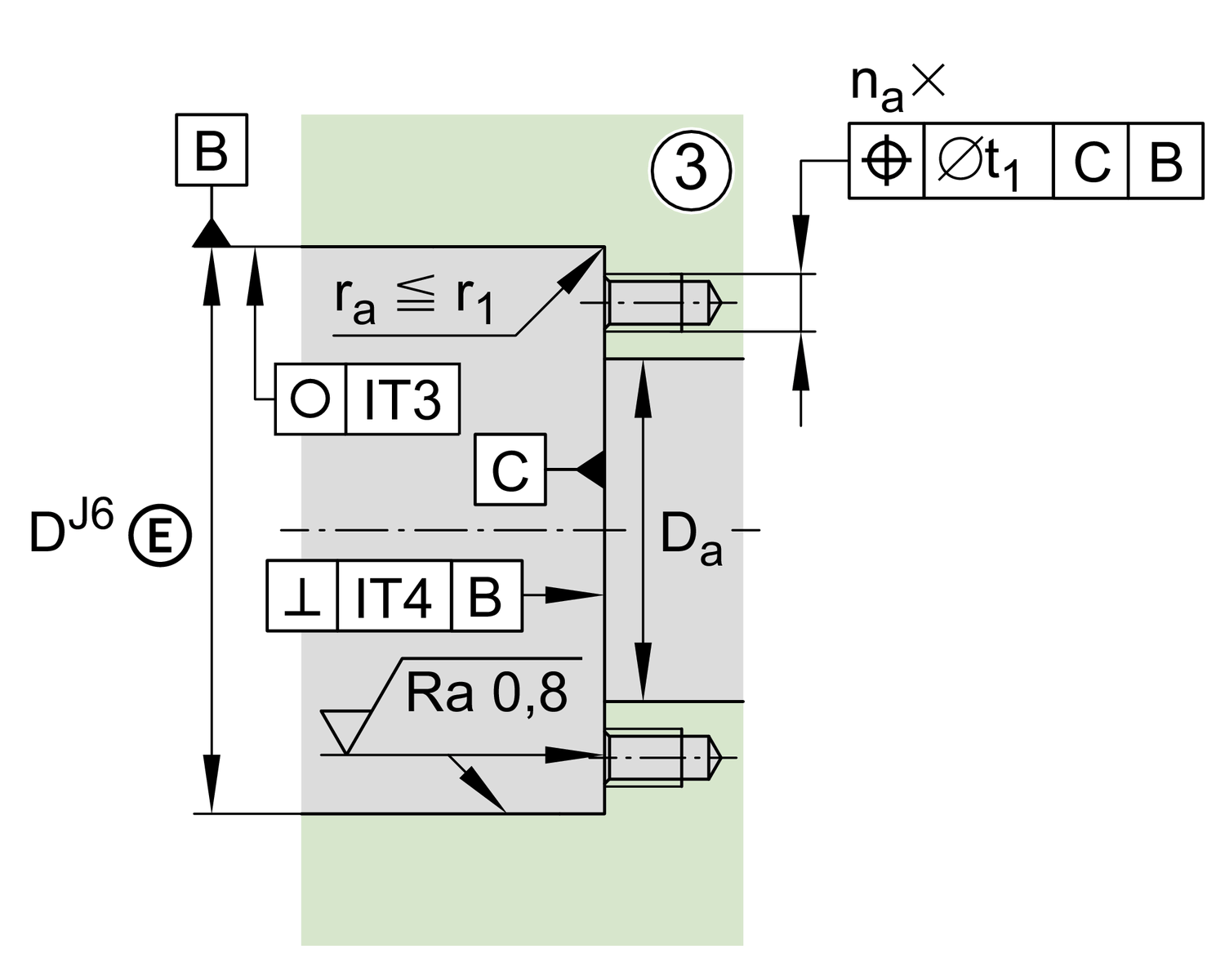
Da max
48 mm
Maximum diameter of housing shoulder
da min
39 mm
Minimum diameter shaft shoulder
t1
0.1 mm
Position bore in the housing

Dimensions
H1
33 mm
Height outer ring over wave washer
C
18 mm
Width, outer ring
C1
10 mm
Distance to lubrication hole
D1
47 mm
Rip diameter shaft washer
B
10 mm
Width, inner ring
rmin
0.3 mm
Minimum chamfer dimension
r1 min
0.6 mm
Minimum chamfer dimension
d1
3.2 mm
Diameter lubrication hole
J
58 mm
Pitch circle diameter (holes)
n
8
Number of screwing holes
n x t
45 °
Split

Temperature range
Tmin
-30 °C
Operating temperature min.
Tmax
120 °C
Operating temperature max.

Additional information
caL
1,900 N/µm
Rigidity axial
ckL
350 Nm/mrad
Tilting stiffness
Mm
0.989 kg*cm2
Mass moment of inertia
1 µm
Axial runout
radial
ZMA25/45
Recommended INA precision locknut for radial locking (not included)
axial
AM25
Recommended INA precision locknut for axial locking (not included)
MA
25 Nm
Tightening torque nut
9,745 N
Required locknut force
M6
Screw size
na
8
Number of screws
na x ta
45 °
Division (screwing holes)

Your current product variant
CageTVPlastic Cage made from PA66
Thêm vào yêu cầu báo giá