PRODUCTS
- Home
- Giới thiệu sản phẩm
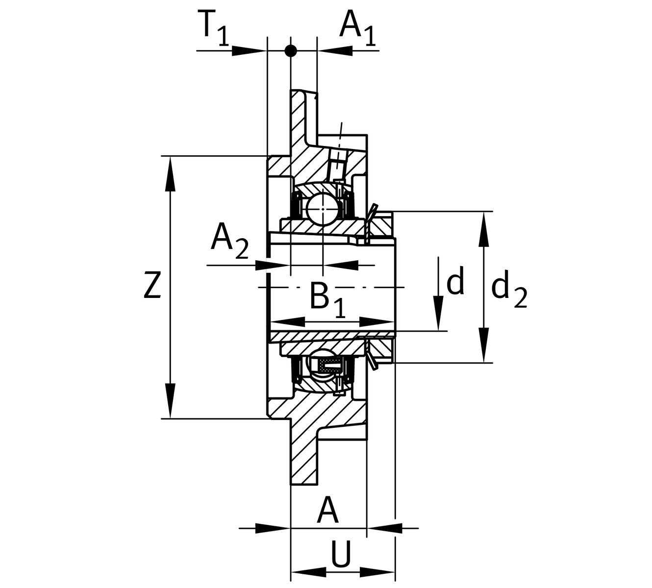
| d | 25 mm | Bore diameter |
| H | 125 mm | Height flange |
| U | 32.2 mm | Total height unit |
| Cr | 20,700 N | Basic dynamic load rating, radial |
| C0r | 11,300 N | Basic static load rating, radial |
| Cur | 590 N | Fatigue load limit, radial |
| ≈m | 1.32 kg | Weight |
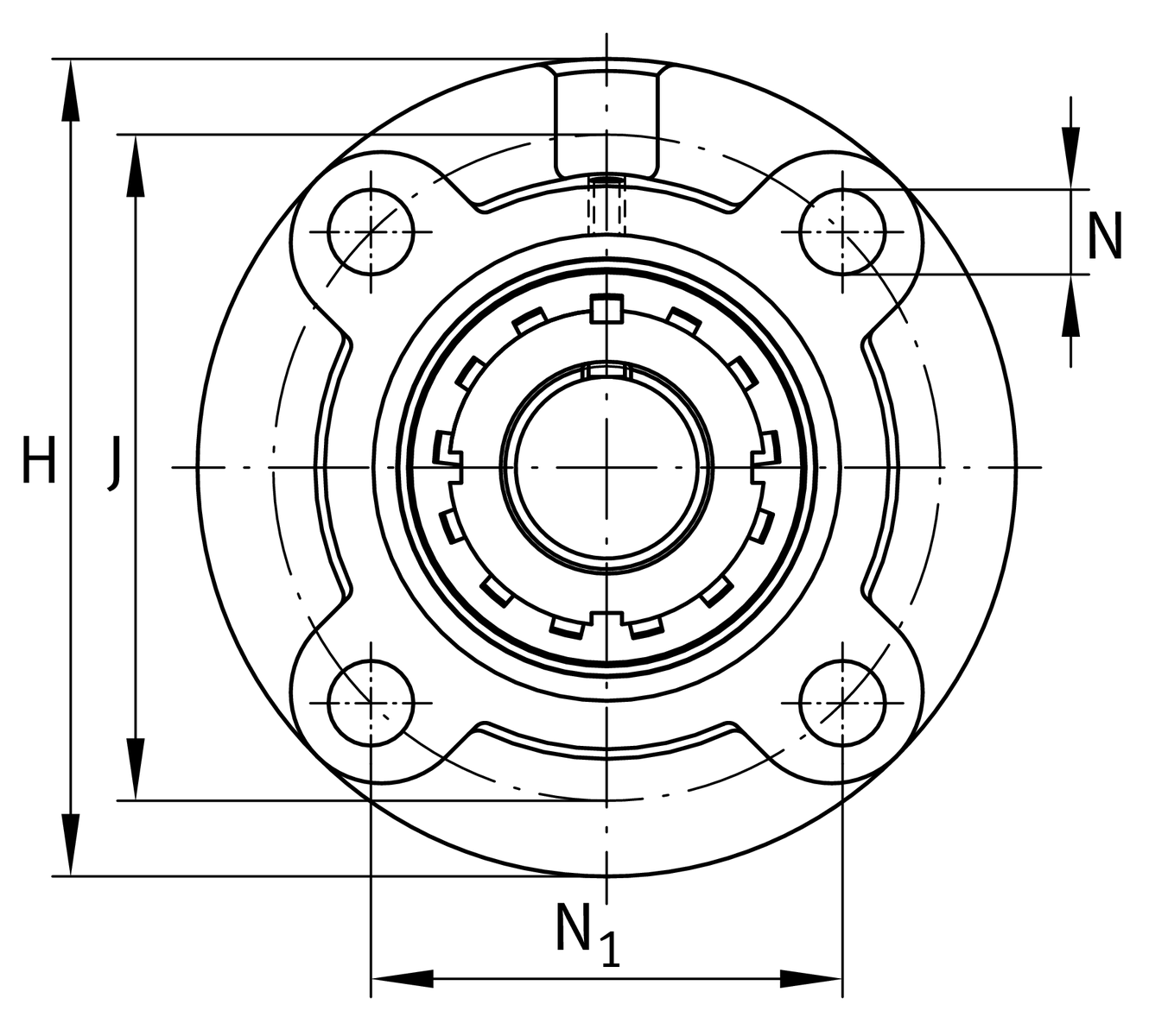
| J | 100 mm | Pitch circle diameter (holes) |
| N | 12 mm | Fixing bore |
| N1 | 70.7 mm | Distance fixing bore |
| T1 | 8 mm | Height spigot |
| Z | 80 mm | Diameter spigot |
h8 | Diameter spigot clearance | |
| n | 4 | Number of screwing holes |
| A | 23 mm | Height housing |
| A1 | 8 mm | Thickness of flange |
| A2 | 10 mm | Distance raceway |
| B | 25 mm | Width |
| B1 | 38 mm | Locking collar total width |
| d3 | 45 mm | Outside diameter eccentric locking collar |
1 | Number of housings | |
FC265 | Housing | |
UK206 | Bearing designation |
| Tmin | -20 °C | Operating temperature min. |
| Tmax | 120 °C | Operating temperature max. |
| Material | GG | Grey cast iron |