PRODUCTS

  • Home
  • Giới thiệu sản phẩm

Schaeffler
HYDNUT430-E
Hydraulic nut HYDNUT430-E
Thêm vào yêu cầu báo giá
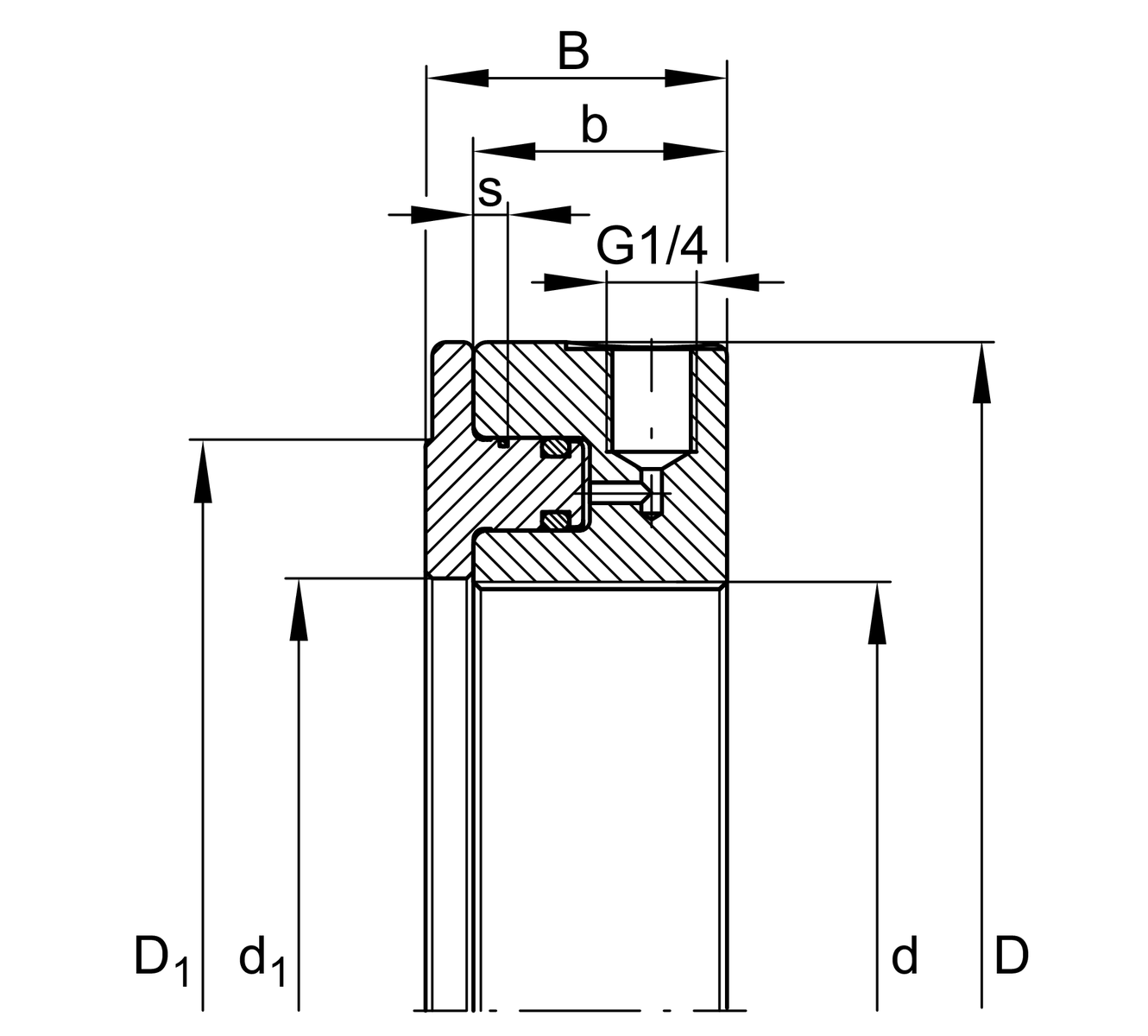
Technical data
d
Tr430x5
Thread
D
555 mm
Outer Diameter
B
75 mm
Width
b
63 mm
Width press ring
D1
505 mm
d1
432 mm
s
17 mm
Stroke, max.
398.4 cm²
Piston surface
400 bar
Pressure, max.
1,593 kN
Drive-up force, max.
≈m
57.2 kg
Weight

Additional information
1 pc. Hydraulic nut, 3 pcs. Clamping screws, 1 pc. Screw plug, 1 pc. Connection nipple, 3 pcs. to 5 pcs. Threaded pins, 1 pc. Hand lever, 1 pc. Replacement seal set, 1 pc. User manual
Scope of delivery

Your current product variant
SeriesEmetric fine pitch thread/trapezoid thread
Thêm vào yêu cầu báo giá