PRODUCTS

  • Home
  • Giới thiệu sản phẩm

FAG
2222-K-M
Self-aligning ball bearing 2222-K-M
Thêm vào yêu cầu báo giá
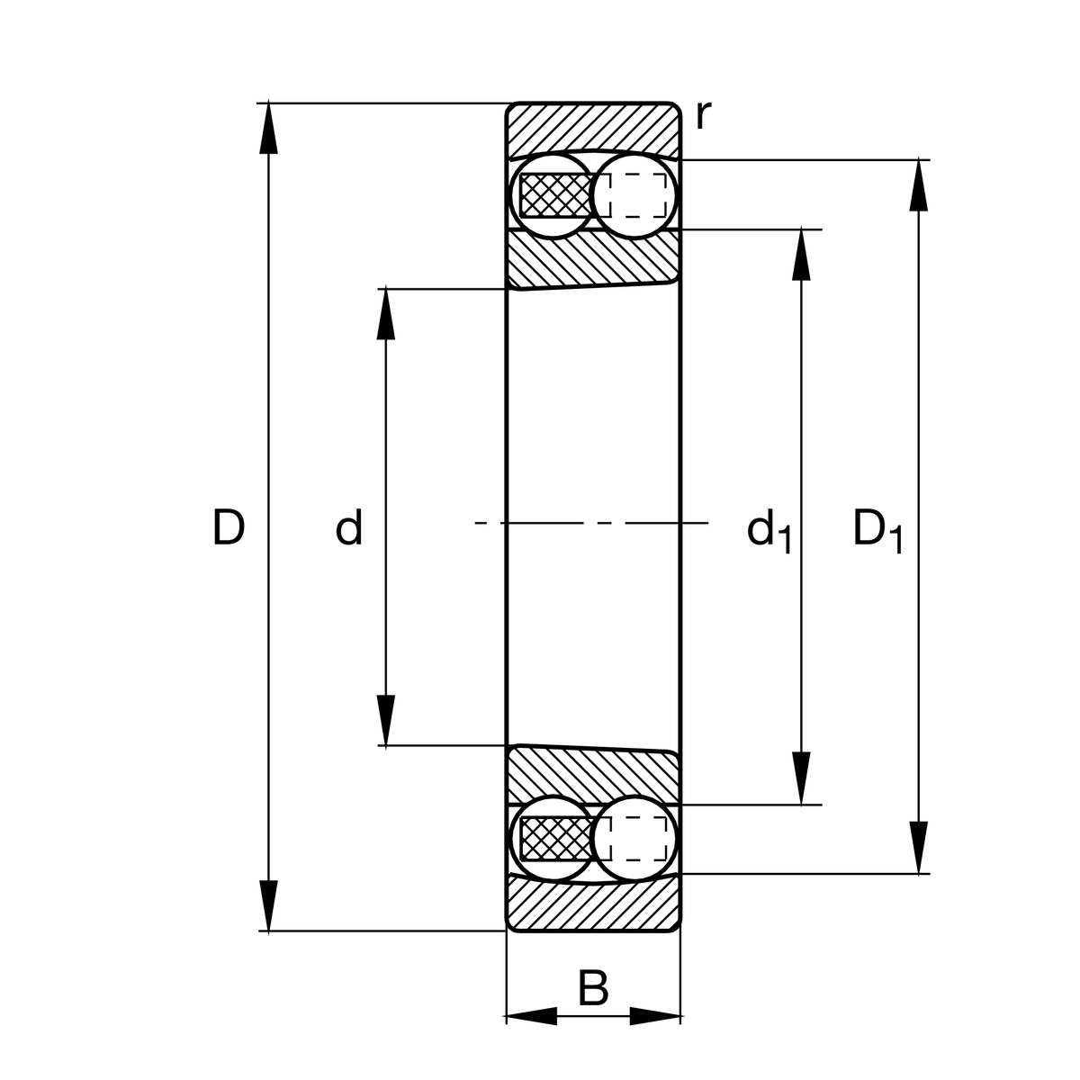
Main Dimensions & Performance Data
d
110 mm
Bore diameter
D
200 mm
Outside diameter
B
53 mm
Width
Cr
126,000 N
Basic dynamic load rating, radial
C0r
52,000 N
Basic static load rating, radial
Cur
2,650 N
Fatigue load limit, radial
nG
5,000 1/min
Limiting speed
nϑr
4,700 1/min
Reference speed
≈m
7.024 kg
Weight

Mounting dimensions
da min
122 mm
Minimum diameter shaft shoulder
da max
132 mm
Maximum diameter shaft shoulder
Da max
188 mm
Maximum diameter of housing shoulder
db min
118 mm
Minimum cavity diameter of the sleeve
Ba min
6 mm
Minimum cavity width of the sleeve
ra max
2.1 mm
Maximum fillet radius

Dimensions
rmin
2.1 mm
Minimum chamfer dimension
D1
174.1 mm
Shoulder diameter outer ring
d1
136.9 mm
Shoulder diameter inner ring

Temperature range
Tmin
-30 °C
Operating temperature min.
Tmax
150 °C
Operating temperature max.

Calculation factors
e
0.28
Limiting value of Fa/Fr for the applicability of diff. Values of factors X and Y
Y1
2.22
Dynamic axial load factor
Y2
3.44
Dynamic axial load factor
Y0
2.33
Static axial load factor

Additional information
H322
Adapter sleeve

Your current product variant
Bore typeKTapered, taper 1:12
SealingWithoutNot sealed
CageMsolid brass cage, ball guided
Tolerance classPNNormal (PN)
LubricantWithoutBearing not greased
Radial internal clearanceCN (Group N)Normal internal clearance
Thêm vào yêu cầu báo giá