PRODUCTS

  • Home
  • Giới thiệu sản phẩm

Schaeffler
HYDNUT400-HEAVY
Hydraulic nut HYDNUT400-HEAVY
Thêm vào yêu cầu báo giá
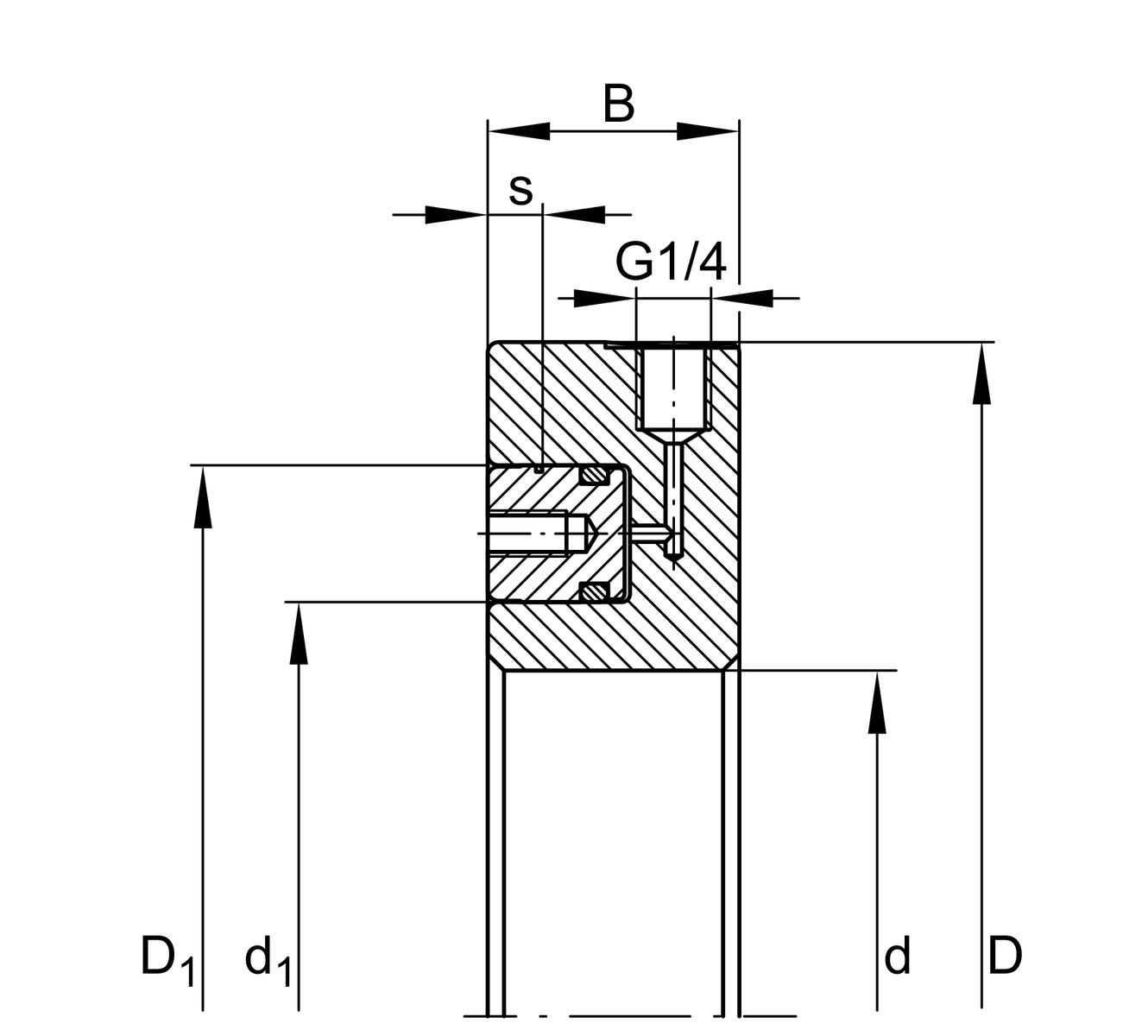
Technical data
d
400 mm
Inner diameter (tolerance: H7)
D
620 mm
Outer Diameter
B
56 mm
Width
D1
545 mm
d1
440 mm
s
15 mm
Stroke, max.
812 cm²
Piston surface
500 bar
Pressure, max.
4,060 kN
Drive-up force, max.
≈m
76.2 kg
Weight

Additional information
1 pc. Hydraulic nut, 1 pc. Screw plug, 1 pc. Connection nipple, 1 pc. Replacement seal set, 1 pc. User manual
Scope of delivery

Your current product variant
SeriesHEAVYreinforced version without thread
Thêm vào yêu cầu báo giá