PRODUCTS

  • Home
  • Giới thiệu sản phẩm

INA
CSEB042
Angular contact ball bearing CSEB042
Thêm vào yêu cầu báo giá
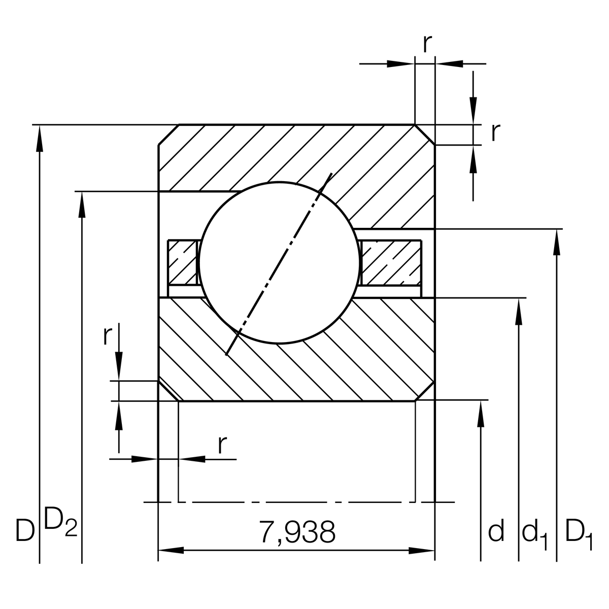
Main Dimensions & Performance Data
d
107.95 mm
Bore diameter
D
123.825 mm
Outside diameter
B
7.938 mm
Width
Cr
6,200 N
Basic dynamic load rating, radial
C0r
8,600 N
Basic static load rating, radial
nG
5,000 1/min
Limiting speed
≈m
140 g
Weight

Dimensions
rmin
1 mm
Minimum chamfer dimension
d1
113.8 mm
Shoulder diameter inner ring
D1
117.9 mm
Shoulder diameter on outer ring wide side face
D2
119.6 mm
Shoulder diameter on outer ring small side face
α
30 °
Contact angle

Temperature range
Tmin
-30 °C
Operating temperature min.
Tmax
120 °C
Operating temperature max.

Your current product variant
Logistical codeHLE-
SealingWithoutNot sealed
CageYPbrass sheet metal
Tolerance classPL1Class PL1, Normal
LubricantWithoutBearing not greased
Thêm vào yêu cầu báo giá