PRODUCTS

  • Home
  • Giới thiệu sản phẩm

Schaeffler
HYDNUT360-E-INCH
Hydraulic nut HYDNUT360-E-INCH
Thêm vào yêu cầu báo giá
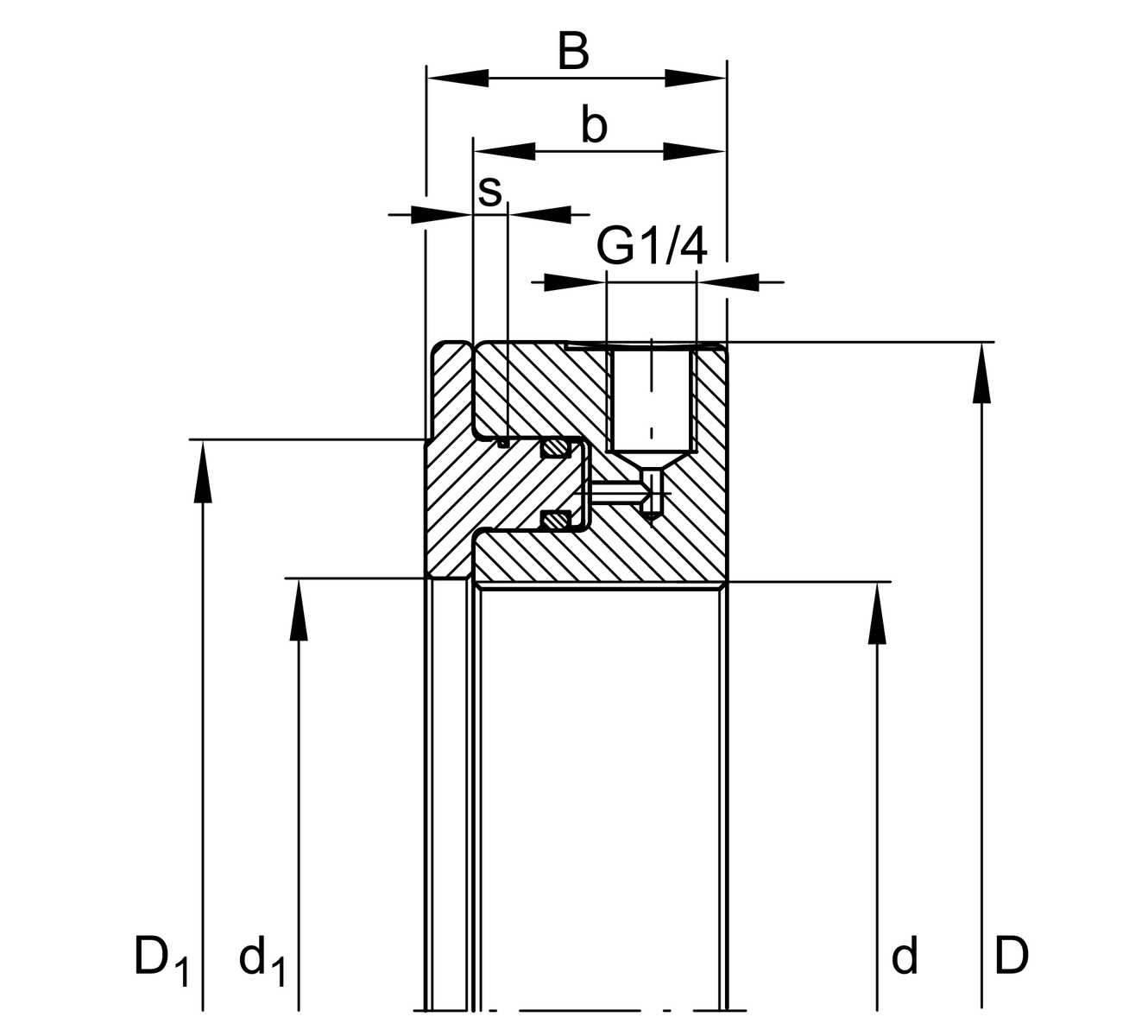
Technical data
d
359.918 mm
Thread nominal diameter
356.87 mm
Thread flank diameter
ACME
Thread type
5
Number of thread convolutions per inch
D
475 mm
Outer Diameter
B
65 mm
Width
b
54 mm
Width press ring
D1
431 mm
d1
362 mm
s
15 mm
Stroke, max.
312.9 cm²
Piston surface
500 bar
Pressure, max.
1,564 kN
Drive-up force, max.
≈m
39.1 kg
Weight

Additional information
1 pc. Hydraulic nut, 3 pcs. Clamping screws, 1 pc. Screw plug, 1 pc. Connection nipple, 3 pcs. to 5 pcs. Threaded pins, 1 pc. Hand lever, 1 pc. Replacement seal set, 1 pc. User manual
Scope of delivery

Your current product variant
SeriesE-INCHinch thread by UN/ACME standard
Thêm vào yêu cầu báo giá