PRODUCTS
- Home
- Giới thiệu sản phẩm
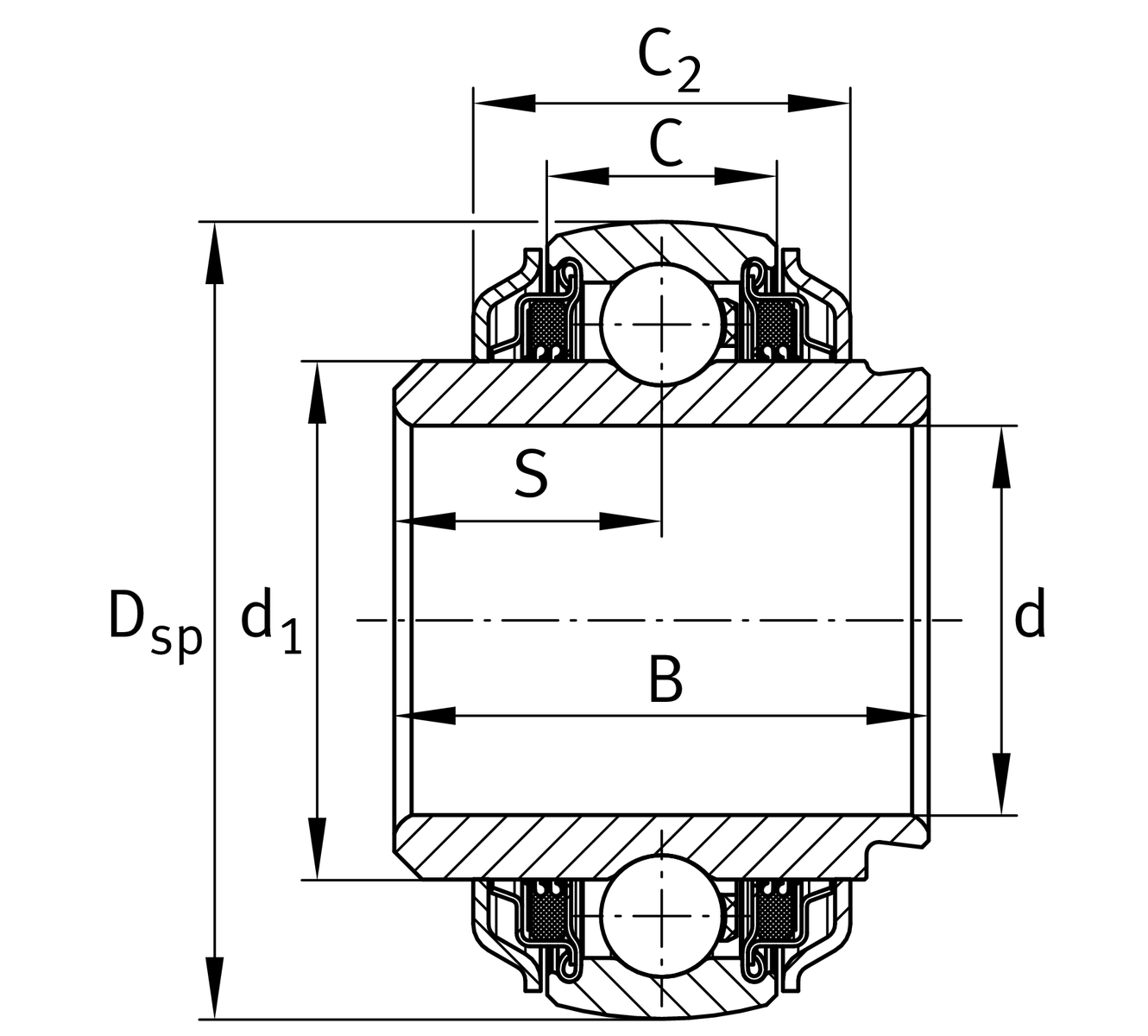
| d | 25.4 mm | Bore diameter |
| d | 25.4 mm | Bore diameter, inch |
| DSP | 52 mm | Outside diameter |
| B | 34.9 mm | Width |
| Cr | 14,000 N | Basic dynamic load rating, radial |
| C0r | 7,800 N | Basic static load rating, radial |
| ≈m | 0.199 kg | Weight |
| C | 15 mm | Width, outer ring |
| C2 | 24.6 mm | Sealing total width |
| S | 17.5 mm | Distance raceway |
| d1 | 33.8 mm | Rib diameter inner ring |
| Tmin | -20 °C | Operating temperature min. |
| Tmax | 100 °C | Operating temperature max. |
| Sealing | KTT | Triple lip seals on both sides |
| Shape of outer surface | B | |
| Flinger shields | 2C | Flinger shield on both sides |
| Lubricant | L402/70 | L402/70 |
| Without locking device | OSE | Bearing without locking element |