PRODUCTS

  • Home
  • Giới thiệu sản phẩm

FAG
20221-MB
Barrel roller bearing 20221-MB
Thêm vào yêu cầu báo giá
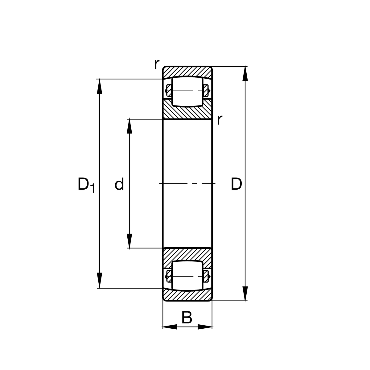
Main Dimensions & Performance Data
d
105 mm
Bore diameter
D
190 mm
Outside diameter
B
36 mm
Width
Cr
244,000 N
Basic dynamic load rating, radial
C0r
315,000 N
Basic static load rating, radial
Cur
31,000 N
Fatigue load limit, radial
nG
3,850 1/min
Limiting speed
≈m
4.67 kg
Weight

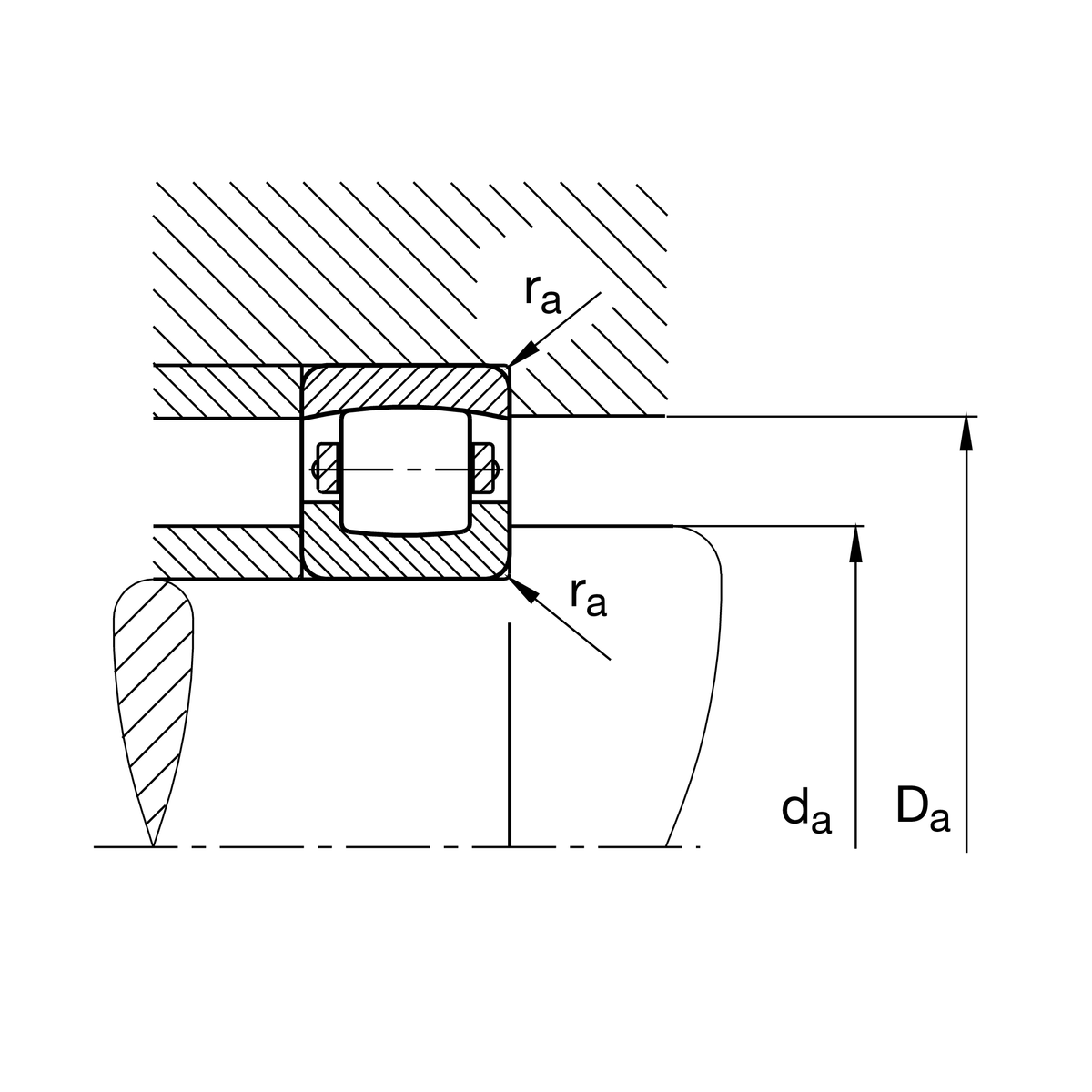
Mounting dimensions
da min
117 mm
Minimum diameter shaft shoulder
Da max
178 mm
Maximum diameter of housing shoulder
ra max
2.1 mm
Maximum recess radius

Dimensions
rmin
2.1 mm
Minimum chamfer dimension
D1
169.2 mm
Bore diameter outer ring

Temperature range
Tmin
-30 °C
Operating temperature min.
Tmax
200 °C
Operating temperature max.

Your current product variant
Bore typeZCylindrical
CageMBSolid brass cage
Radial internal clearanceCN (Group N)Normal internal clearance
Thêm vào yêu cầu báo giá