PRODUCTS

  • Home
  • Giới thiệu sản phẩm

FAG
16021
Deep groove ball bearing 16021
Thêm vào yêu cầu báo giá
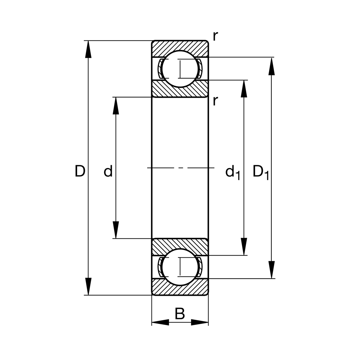
Main Dimensions & Performance Data
d
105 mm
Bore diameter
D
160 mm
Outside diameter
B
18 mm
Width
Cr
57,000 N
Basic dynamic load rating, radial
C0r
54,000 N
Basic static load rating, radial
Cur
2,460 N
Fatigue load limit, radial
nG
5,900 1/min
Limiting speed
nϑr
3,950 1/min
Reference speed
≈m
1.244 kg
Weight

Mounting dimensions
da min
109.6 mm
Minimum diameter shaft shoulder
Da max
155.4 mm
Maximum diameter of housing shoulder
ra max
1 mm
Maximum fillet radius

Dimensions
rmin
1 mm
Minimum chamfer dimension
D1
141.32 mm
Shoulder diameter outer ring
d1
124.12 mm
Shoulder diameter inner ring

Temperature range
Tmin
-30 °C
Operating temperature min.
Tmax
150 °C
Operating temperature max.

Calculation factors
f0
16.5
Calculation factor

Your current product variant
SealingWithoutNot sealed
CageJNsteel sheet metal
Tolerance classPNNormal (PN)
Dimensional / heat stabilization S0Rings dimensional stabilized up to 150°
LubricantWithoutBearing not greased
Bore typeZCylindrical
Radial internal clearanceCN (Group N)Normal internal clearance
Thêm vào yêu cầu báo giá