PRODUCTS

  • Home
  • Giới thiệu sản phẩm

Schaeffler
HYDNUT160-E-INCH
Hydraulic nut HYDNUT160-E-INCH
Thêm vào yêu cầu báo giá
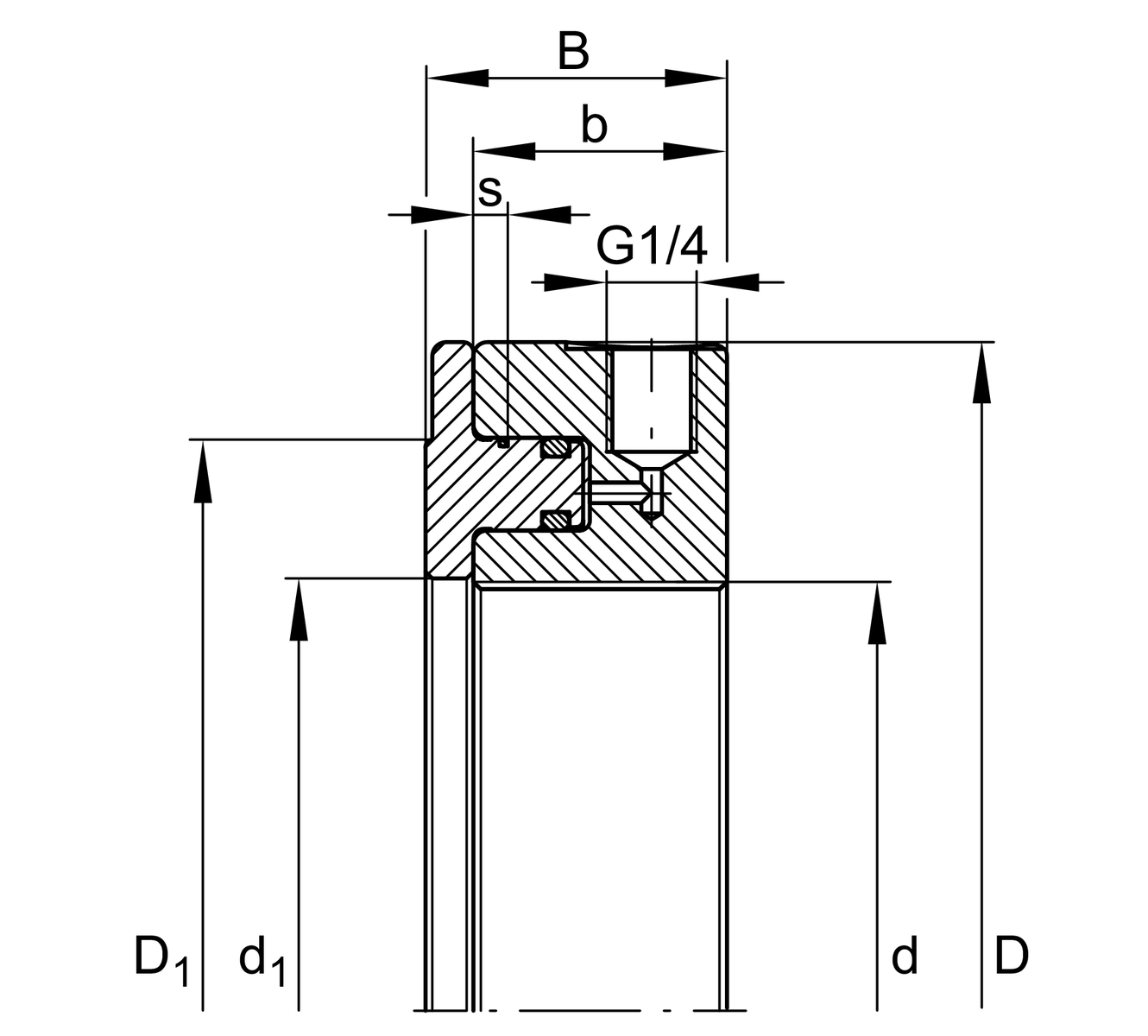
Technical data
d
159.614 mm
Thread nominal diameter
157.551 mm
Thread flank diameter
UN
Thread type
8
Number of thread convolutions per inch
D
235 mm
Outer Diameter
B
47 mm
Width
b
40 mm
Width press ring
D1
206 mm
d1
161 mm
s
6 mm
Stroke, max.
87.2 cm²
Piston surface
600 bar
Pressure, max.
523 kN
Drive-up force, max.
≈m
8.7 kg
Weight

Additional information
1 pc. Hydraulic nut, 3 pcs. Clamping screws, 1 pc. Screw plug, 1 pc. Connection nipple, 3 pcs. to 5 pcs. Threaded pins, 1 pc. Hand lever, 1 pc. Replacement seal set, 1 pc. User manual
Scope of delivery

Your current product variant
SeriesE-INCHinch thread by UN/ACME standard
Thêm vào yêu cầu báo giá