PRODUCTS

  • Home
  • Giới thiệu sản phẩm

INA
CSXU040-2RS
Four-point contact bearing CSXU040-2RS
Thêm vào yêu cầu báo giá
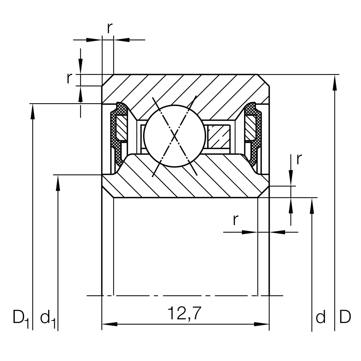
Main Dimensions & Performance Data
d
101.6 mm
Bore diameter
D
120.65 mm
Outside diameter
B
12.7 mm
Width
Cr
10,400 N
Basic dynamic load rating, radial
C0r
14,400 N
Basic static load rating, radial
nG
2,500 1/min
Limiting speed
≈m
250 g
Weight

Dimensions
rmin
0.38 mm
Minimum chamfer dimension
d1
108.6 mm
Shoulder diameter inner ring
D1
113.6 mm
Shoulder diameter outer ring
d1
105.4 mm
Caliber diameter inner ring
D1
115.5 mm
Caliber diameter outer ring
α
30 °
Contact angle

Temperature range
Tmin
-25 °C
Operating temperature min.
Tmax
120 °C
Operating temperature max.

Your current product variant
Logistical codeHLE-
Sealing2RSContact seal on both sides
CageYHbrass sheet metal
Tolerance classPL1Class PL1, Normal
LubricantLubricating grease
Radial internal clearancePL1Class PL1, Normal
Thêm vào yêu cầu báo giá