PRODUCTS

  • Home
  • Giới thiệu sản phẩm

Schaeffler
HYDNUT110-E
Hydraulic nut HYDNUT110-E
Thêm vào yêu cầu báo giá
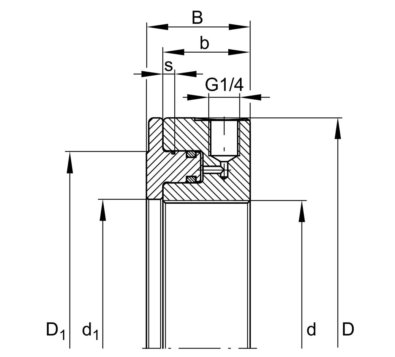
Technical data
d
M110x2
Thread
D
180 mm
Outer Diameter
B
43 mm
Width
b
37 mm
Width press ring
D1
152 mm
d1
111 mm
s
5 mm
Stroke, max.
58.7 cm²
Piston surface
600 bar
Pressure, max.
352 kN
Drive-up force, max.
≈m
5.4 kg
Weight

Additional information
1 pc. Hydraulic nut, 3 pcs. Clamping screws, 1 pc. Screw plug, 1 pc. Connection nipple, 3 pcs. to 5 pcs. Threaded pins, 1 pc. Hand lever, 1 pc. Replacement seal set, 1 pc. User manual
Scope of delivery

Your current product variant
SeriesEmetric fine pitch thread/trapezoid thread
Thêm vào yêu cầu báo giá