PRODUCTS
- Home
- Giới thiệu sản phẩm
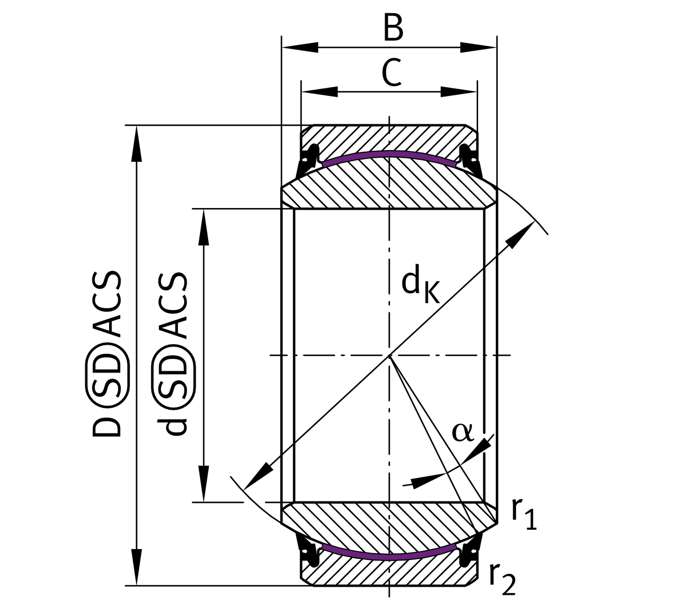
| d | 100 mm | Bore diameter bearing |
| D | 150 mm | Outside diameter bearing |
| B | 70 mm | Width Inner ring |
| C | 55 mm | Width Outer ring |
| Cr | 1,720,000 N | Basic dynamic load rating, radial |
| C0r | 2,860,000 N | Basic static load rating, radial |
| ≈m | 4.26 kg | Weight |
| r1smin | 1 mm | Edge Spacing |
| r2smin | 1 mm | Edge Spacing |
| Da min | 123 mm | Housing Connection Diameter |
| damax | 109.5 mm | Connection measurement, inner ring |
| dK | 130 mm | Ball diameter |
| α | 7 ° | Tilt angle |
| DOT | 0 mm | Outside diameter, upper tolerance |
| DUT | -0.018 mm | Outside diameter, lower tolerance |
| BOT | 0 mm | Width inner ring, upper tolerance |
| dUT | -0.02 mm | Bore diameter bearing, lower tolerance |
| BUT | -0.2 mm | Width inner ring, lower tolerance |
| dOT | 0 mm | Bore diameter bearing, upper tolerance |
| COT | 0 mm | Width outer ring, upper tolerance |
| CUT | -0.5 mm | Width outer ring, lower tolerance |
| Gr | 0 - 0,085 mm | Radial Clearance |
| Grmax | 0.085 mm | Radial clearance, maximum |
| Grmin | 0 mm | Radial clearance, minimum |
| Tmin | -30 °C | Operating temperature min. |
| Tmax | 130 °C | Operating temperature max. |
| Sealing | 2RS | Lip seals on both sides |
| Bore lining | Without | |
| Coating | Without | |
| Material | Steel | Steel |
| Fabric | ELGOGLIDE | ELGOGLIDE |