PRODUCTS
- Home
- Giới thiệu sản phẩm
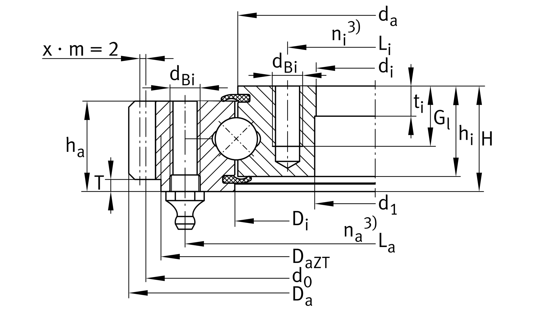
| di | 136 mm | Bore Diameter |
0.5 mm | Bore diameter upper tolerance | |
-0.5 mm | Bore diameter lower tolerance | |
| diZT | 135 mm | Diameter centring inner ring |
0.2 mm | Diameter centring inner ring upper tolerance | |
0 mm | Diameter centring inner ring lower tolerance | |
| H | 35 mm | Height |
| Da | 259.36 mm | Outside Diameter |
| Di ZT | 238 mm | Diameter centring outer ring |
0 mm | Diameter centring outer ring upper tolerance | |
-0.07 mm | Diameter centring outer ring lower tolerance | |
| T | 4 mm | Length centering outer ring |
| t | 10 mm | Length centering inner ring |
| ha | 30 mm | Width outer ring |
| hi | 30 mm | height of inner ring |
0.03 mm | Normal radial clearance min. | |
0.1 mm | Normal radial clearance max. | |
0.05 mm | Normal axial clearance min. | |
0.2 mm | Normal axial clearance max. | |
| ≈m | 7.1 kg | Weight |
| Di | 189 mm | Inner diameter outer ring |
| da | 187 mm | Outside diameter inner ring |
| ni | 16 | Number of fixing holes in inner ring |
| Li | 154 mm | Pitchcircle diameter fixing holes inner ring |
| na | 16 | Number of fixing holes in outer ring |
| La | 222 mm | Pitchcircle diameter fixing holes outer ring |
| dBa | M10 | Tread fixing bore |
| Gl | 20 mm | Thread depth fixing hole |
| Fr zul | 44,800 N | Max. radial load fixing screws (friction locking) |
| d0 | 248 mm | Pitch circle diameter gearing |
| m | 4 mm | Modul of gearing |
| z | 62 | Number of teeth |
2 mm | Profile shift | |
| b | 26 mm | Width gearing |
| Fz norm | 10,400 N | Max. tooth force root fatigue strenght (at a shock factor of 1,2) |
| Fz max | 15,300 N | Max. tooth force against tooth fracture (at a shock factor of 1,35) |
| Tmin | -25 °C | Operating temperature min. |
| Tmax | 80 °C | Operating temperature max. |
| Ca | 93,000 N | Basic dynamic load rating, axial |
| C0a | 670,000 N | Basic static load rating, axial |
| Cr | 84,000 N | Basic dynamic load rating, radial |
| C0r | 270,000 N | Basic static load rating, radial |
| Gearing | V | Quenched and tempered gear teeth on bearing ring |
| Preload | VSP | Bearing with preload |