PRODUCTS
- Home
- Giới thiệu sản phẩm
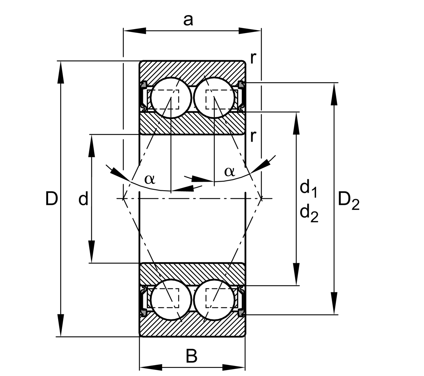
| d | 25 mm | Bore diameter |
| D | 37 mm | Outside diameter |
| B | 10 mm | Width |
| Cr | 5,900 N | Basic dynamic load rating, radial |
| C0r | 5,500 N | Basic static load rating, radial |
| Cur | 285 N | Fatigue load limit, radial |
| nG | 9,300 1/min | Limiting speed |
| ≈m | 36 g | Weight |
| da min | 27 mm | Minimum diameter shaft shoulder |
| Da max | 35 mm | Maximum diameter of housing shoulder |
| ra max | 0.3 mm | Maximum fillet radius |
| rmin | 0.3 mm | Minimum chamfer dimension |
| D1 | 33.12 mm | Shoulder diameter outer ring |
| D2 | 34.03 mm | Caliber diameter outer ring |
| d1 | 29.1 mm | Shoulder diameter inner ring |
| d2 | 27.92 mm | Caliber diamter inner ring |
| a | 17.9 mm | Distance between the apexes of the pressure cones |
| α | 25 ° | Contact angle |
| Tmin | -20 °C | Operating temperature min. |
| Tmax | 100 °C | Operating temperature max. |
| Design variant | B | Bearing without filling slot |
| Sealing | 2RS | Contact seal on both sides |
| Cage | TVH | solid cage made of glass-fiber reinforced polyamid PA66 |
| Tolerance class | PN | Normal (PN) |
| Dimensional / heat stabilization | SN | Rings dimensional stabilized up to 120° |
| Lubricant | GA14 | Ball bearing grease, low noise, standard for D<=62mm |
| Axial internal clearance | CN | Group N (CN) |