PRODUCTS

  • Home
  • Giới thiệu sản phẩm

INA
SL045026-D-PP-RR-C3-GA22
Cylindrical roller bearing SL045026-D-PP-RR-C3-GA22
Thêm vào yêu cầu báo giá
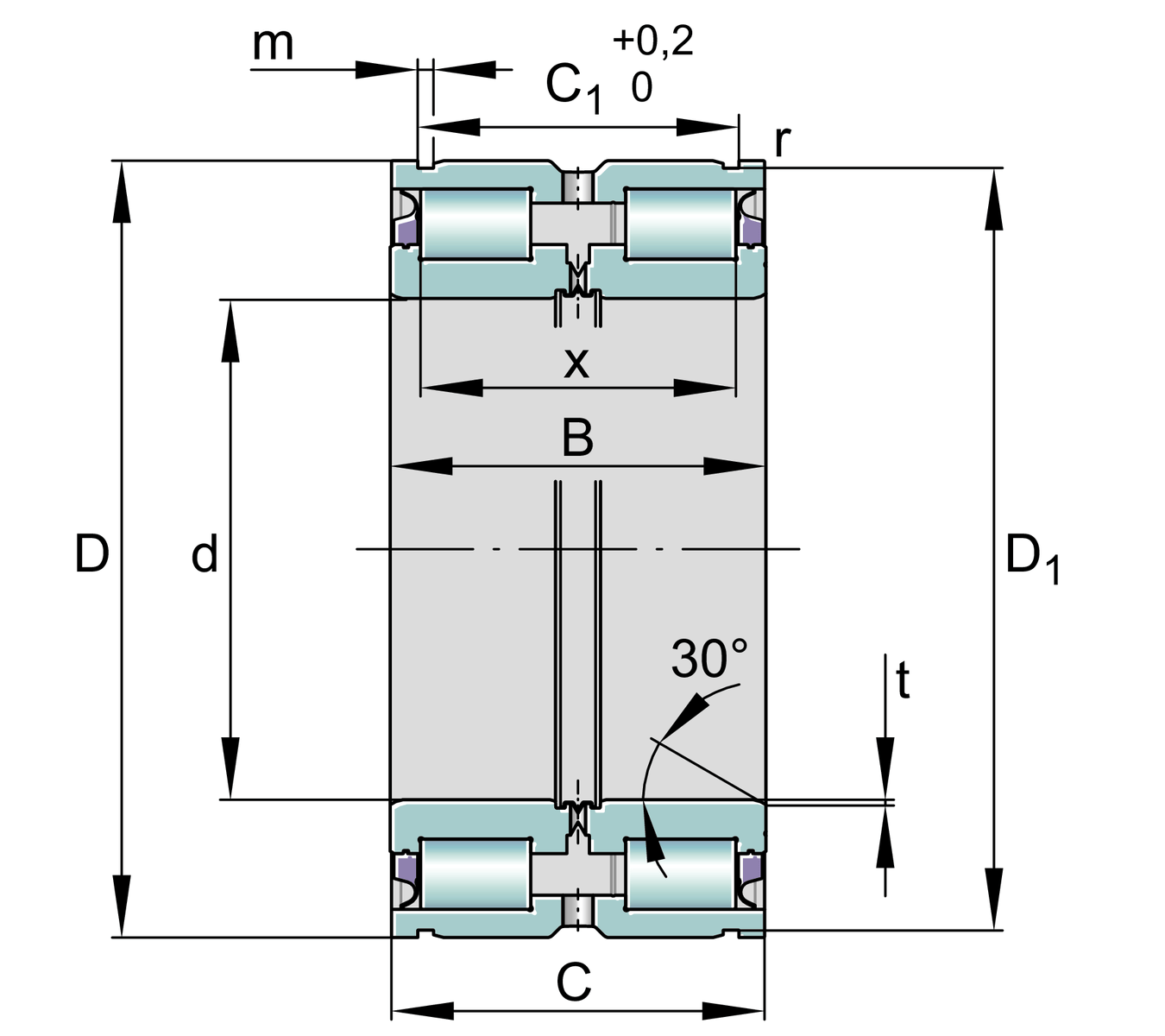
Main Dimensions & Performance Data
d
130 mm
Bore diameter
D
200 mm
Outside diameter
B
95 mm
Width
Cr
540,000 N
Basic dynamic load rating, radial
C0r
960,000 N
Basic static load rating, radial
Cur
130,000 N
Fatigue load limit, radial
nG Grease
960 1/min
Limiting speed for grease lubrication
≈m
10.1 kg
Weight

Mounting dimensions
Ca1
77 mm
Mounting dim for snap ring WRE (not included in delivery) Tolerance: 0/-0,2
Ca2
75 mm
Mounting dim for retaining ring to DIN 471 (not incl. In delivery) Tol: 0/-0,2
d1
157 mm
Rib diameter inner ring
d2
170 mm
Sealing diameter (rib)
d3
216 mm
Outside diameter of snap ring WRE
d1 min
157 mm
Minimum diameter shaft shoulder
30 °
Chamfer angle
-0.2 mm
Lower distance snap ring tolerance
-0.2 mm
Lower distance retaining ring tolerance
0 mm
Upper distance snap ring tolerance
0 mm
Upper distance retaining ring tolerance
0 mm
Lower distance ring groove tolerance
0.2 mm
Upper distance ring groove tolerance

Dimensions
C
94 mm
Width, outer ring
C1
83.2 mm
Distance ring grooves
D1
196 mm
Diameter of groove
m
4.2 mm
Width of groove
rmin
0.6 mm
Minimum chamfer dimension
t
1.8 mm
Chamfer width
X
77 mm
Distance between rolling elements

Temperature range
Tmin
-30 °C
Operating temperature min.
Tmax
80 °C
Operating temperature max.

Your current product variant
DesignDNew outer Contour
SealingPPContact Seal on both sides
Radial internal clearanceC3 (Group 3)Internal clearance larger than CN
Tolerance classPNNormal (PN)
Number of rolling element rows2Double-row design
Thêm vào yêu cầu báo giá