PRODUCTS

  • Home
  • Giới thiệu sản phẩm

FAG
2305-TVH
Self-aligning ball bearing 2305-TVH
Thêm vào yêu cầu báo giá
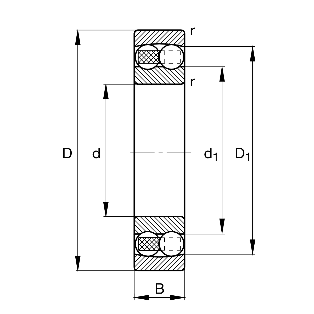
Main Dimensions & Performance Data
d
25 mm
Bore diameter
D
62 mm
Outside diameter
B
24 mm
Width
Cr
25,000 N
Basic dynamic load rating, radial
C0r
6,600 N
Basic static load rating, radial
Cur
420 N
Fatigue load limit, radial
nG
12,200 1/min
Limiting speed
nϑr
11,900 1/min
Reference speed
≈m
0.334 kg
Weight

Mounting dimensions
da min
32 mm
Minimum diameter shaft shoulder
Da max
55 mm
Maximum diameter of housing shoulder
ra max
1 mm
Maximum fillet radius

Dimensions
rmin
1.1 mm
Minimum chamfer dimension
D1
49.86 mm
Shoulder diameter outer ring
d1
35.45 mm
Shoulder diameter inner ring

Temperature range
Tmin
-30 °C
Operating temperature min.
Tmax
120 °C
Operating temperature max.

Calculation factors
e
0.48
Limiting value of Fa/Fr for the applicability of diff. Values of factors X and Y
Y1
1.32
Dynamic axial load factor
Y2
2.04
Dynamic axial load factor
Y0
1.38
Static axial load factor

Your current product variant
Bore typeZCylindrical
SealingWithoutNot sealed
CageTVHsolid cage made of glass-fiber reinforced polyamid PA66
Tolerance classPNNormal (PN)
LubricantWithoutBearing not greased
Radial internal clearanceCN (Group N)Normal internal clearance
Thêm vào yêu cầu báo giá