PRODUCTS

  • Home
  • Giới thiệu sản phẩm

INA
81126-M
Axial cylindrical roller bearing 81126-M
Thêm vào yêu cầu báo giá
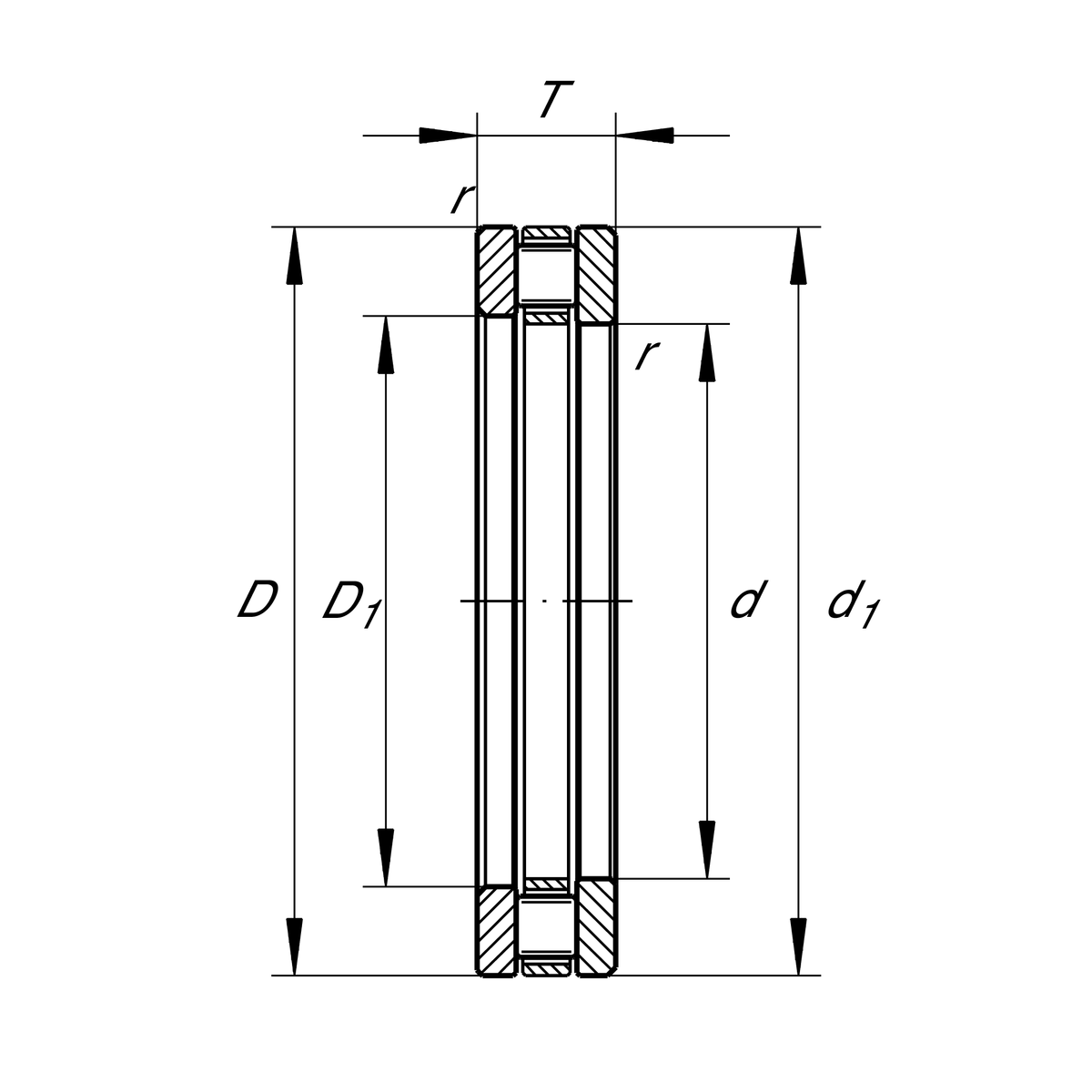
Main Dimensions & Performance Data
d
130 mm
Bore diameter
T
30 mm
Height
Ca
233,000 N
Basic dynamic load rating, axial
C0a
810,000 N
Basic static load rating, axial
Cua
72,000 N
Fatigue load limit, axial
nG
1,920 1/min
Limiting speed
nϑr
820 1/min
Reference speed
D
170 mm
Outside diameter
≈m
1.99 kg
Weight

Mounting dimensions
da min
165 mm
Minimum diameter shaft shoulder
Da max
135 mm
Maximum diameter of housing shoulder

Dimensions
D1
132 mm
Bore diameter housing washer
d1
170 mm
Rip diameter shaft washer
rmin
1 mm
Minimum chamfer dimension

Temperature range
Tmin
-30 °C
Operating temperature min.
Tmax
120 °C
Operating temperature max.

Additional information
K81226-M
Axial roller and cage assembly
GS81226
Housing Washer
WS81226
Shaft washer
LS130170
Track Washer

Your current product variant
CageMBrass Cage
Thêm vào yêu cầu báo giá