PRODUCTS
- Home
- Giới thiệu sản phẩm
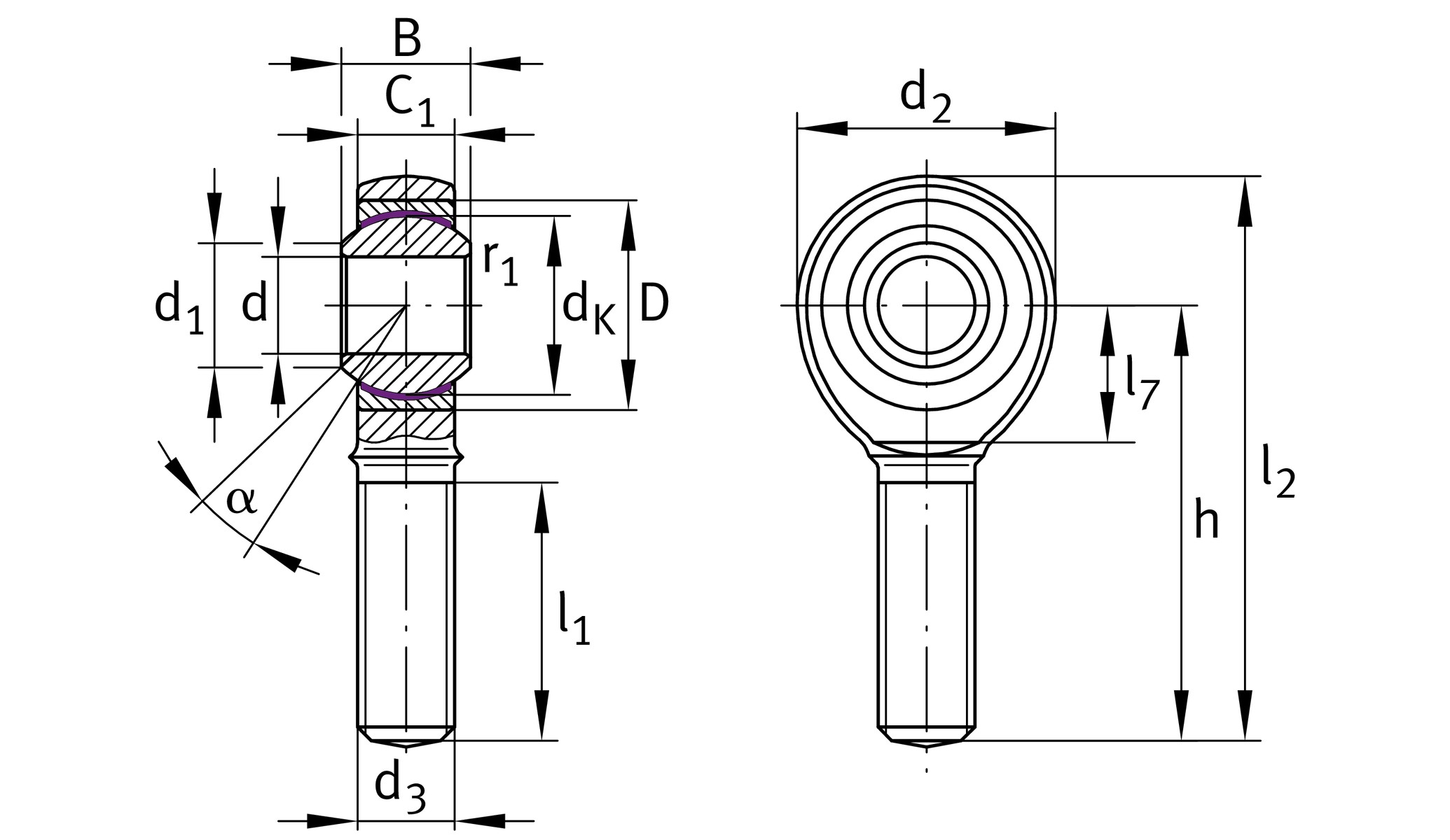
| d2 | 18 mm | Outer diameter eye |
| Cr | 6,000 N | Basic dynamic load rating |
| C0r | 4,900 N | Basic static load rating |
| d | 5 mm | Bore diameter bearing |
| D | 13 mm | Outside diameter bearing |
| l2 | 42 mm | Total length |
| B | 8 mm | Width inner ring |
| ≈m | 0.02 kg | Weight |
| dk | 11.112 mm | Ball diameter |
| d1 | 7.7 mm | Outer flange diameter inner ring |
| d3 | M5 | Thread size |
| h | 33 mm | Length of thread |
| C1 | 6 mm | Width of the rod end |
| alpha | 13 ° | Tilt angle |
| l1 | 19 mm | Thread length |
| BUT | -0.12 mm | Width inner ring , lower tolerance |
| BOT | 0 mm | Width inner ring; upper tolerance |
| dT | H7 | Bore diameter_bearing_tolerance |
| dUT | 0 mm | Bore diameter, lower tolerance |
| dOT | 0.012 mm | Bore diameter bearing upper tolerance |
| Gr | 0 - 0,035 | Radial clearance |
| Grmax | 0.035 mm | Radial clearance, maximum |
| Grmin | 0 mm | Radial clearance, minimum |
| Tmin | -50 °C | Operating temperature min. |
| Tmax | 200 °C | Operating temperature max. |
| r1s | 0.3 mm | Smallest single chamfer dimension, inner ring |
| Sealing | Without | |
| Material sliding Layer | Sliding foil | Sliding foil |