PRODUCTS

  • Home
  • Giới thiệu sản phẩm

FAG
2205-TVH
Self-aligning ball bearing 2205-TVH
Thêm vào yêu cầu báo giá
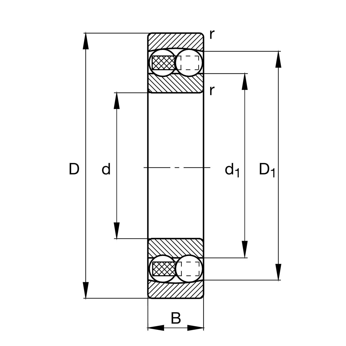
Main Dimensions & Performance Data
d
25 mm
Bore diameter
D
52 mm
Outside diameter
B
18 mm
Width
Cr
17,300 N
Basic dynamic load rating, radial
C0r
4,450 N
Basic static load rating, radial
Cur
285 N
Fatigue load limit, radial
nG
14,400 1/min
Limiting speed
nϑr
13,400 1/min
Reference speed
≈m
0.155 kg
Weight

Mounting dimensions
da min
30.6 mm
Minimum diameter shaft shoulder
Da max
46.4 mm
Maximum diameter of housing shoulder
ra max
1 mm
Maximum fillet radius

Dimensions
rmin
1 mm
Minimum chamfer dimension
D1
44.42 mm
Shoulder diameter outer ring
d1
32.25 mm
Shoulder diameter inner ring

Temperature range
Tmin
-30 °C
Operating temperature min.
Tmax
120 °C
Operating temperature max.

Calculation factors
e
0.35
Limiting value of Fa/Fr for the applicability of diff. Values of factors X and Y
Y1
1.78
Dynamic axial load factor
Y2
2.75
Dynamic axial load factor
Y0
1.86
Static axial load factor

Your current product variant
Bore typeZCylindrical
SealingWithoutNot sealed
CageTVHsolid cage made of glass-fiber reinforced polyamid PA66
Tolerance classPNNormal (PN)
LubricantWithoutBearing not greased
Radial internal clearanceCN (Group N)Normal internal clearance
Thêm vào yêu cầu báo giá