PRODUCTS

  • Home
  • Giới thiệu sản phẩm

FAG
UCFC205-15
Flanged housing unit UCFC205-15
Thêm vào yêu cầu báo giá
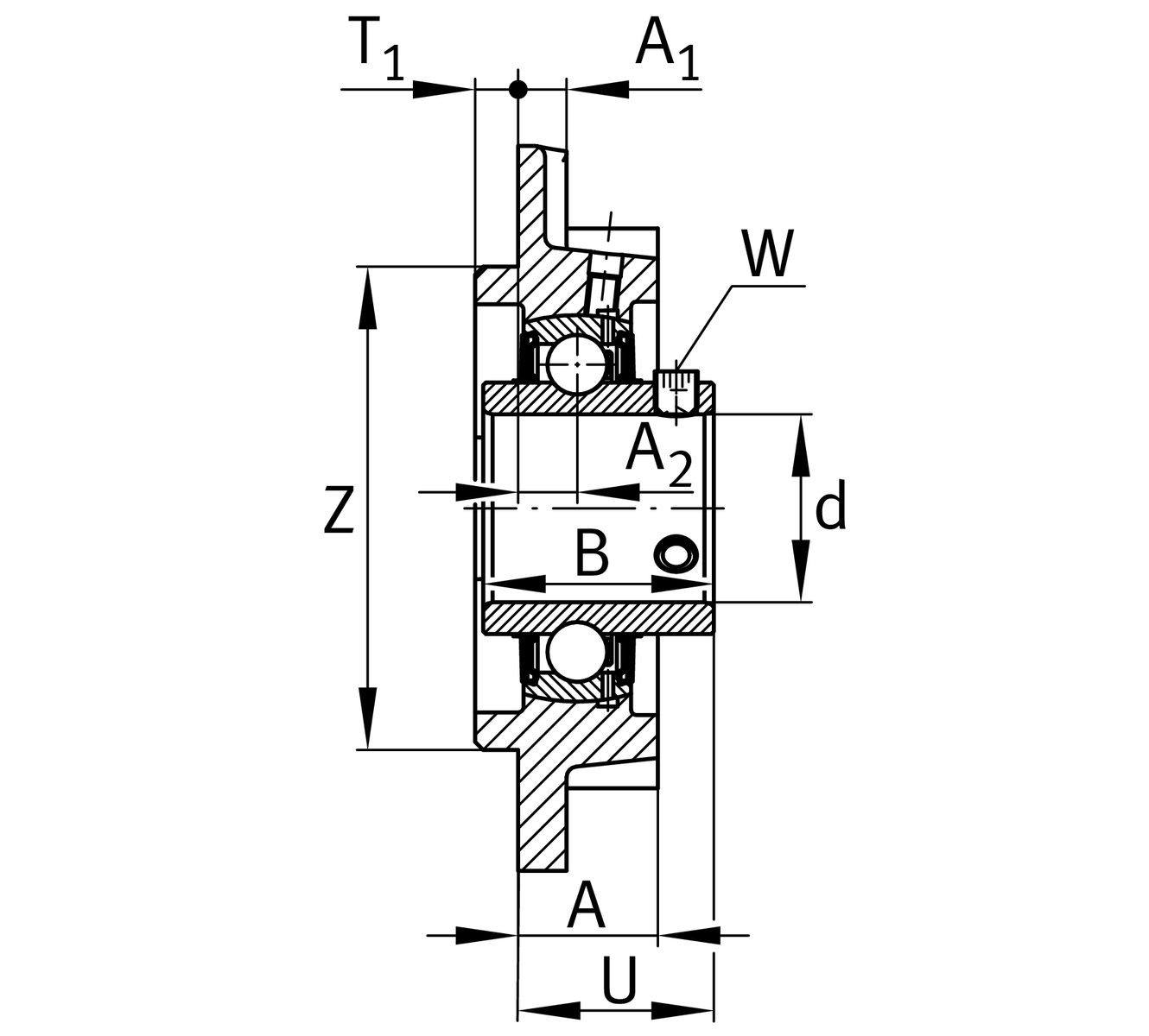
Main Dimensions & Performance Data
d
23.812 mm
Bore diameter
H
115 mm
Height flange
U
29.8 mm
Total height unit
Cr
14,000 N
Basic dynamic load rating, radial
C0r
7,800 N
Basic static load rating, radial
Cur
335 N
Fatigue load limit, radial
≈m
0.95 kg
Weight

Mounting dimensions
J
90 mm
Distance fixing bore
J
90 mm
Pitch circle diameter (holes)
N
12 mm
Fixing bore
N1
63.6 mm
Distance fixing bore
T1
6 mm
Height spigot
Z
70 mm
Diameter spigot
h8
Diameter spigot clearance
n
4
Number of screwing holes

Dimensions
A
21 mm
Height housing
A1
7 mm
Thickness of flange
A2
10 mm
Distance raceway
B
34.1 mm
Width
Q
M6
Connection thread for lubrication

Additional information
1
Number of housings
FC205
Housing
UC205-15
Bearing designation

Temperature range
Tmin
-20 °C
Operating temperature min.
Tmax
120 °C
Operating temperature max.

Your current product variant
MaterialGGGrey cast iron
Thêm vào yêu cầu báo giá