PRODUCTS
- Home
- Giới thiệu sản phẩm
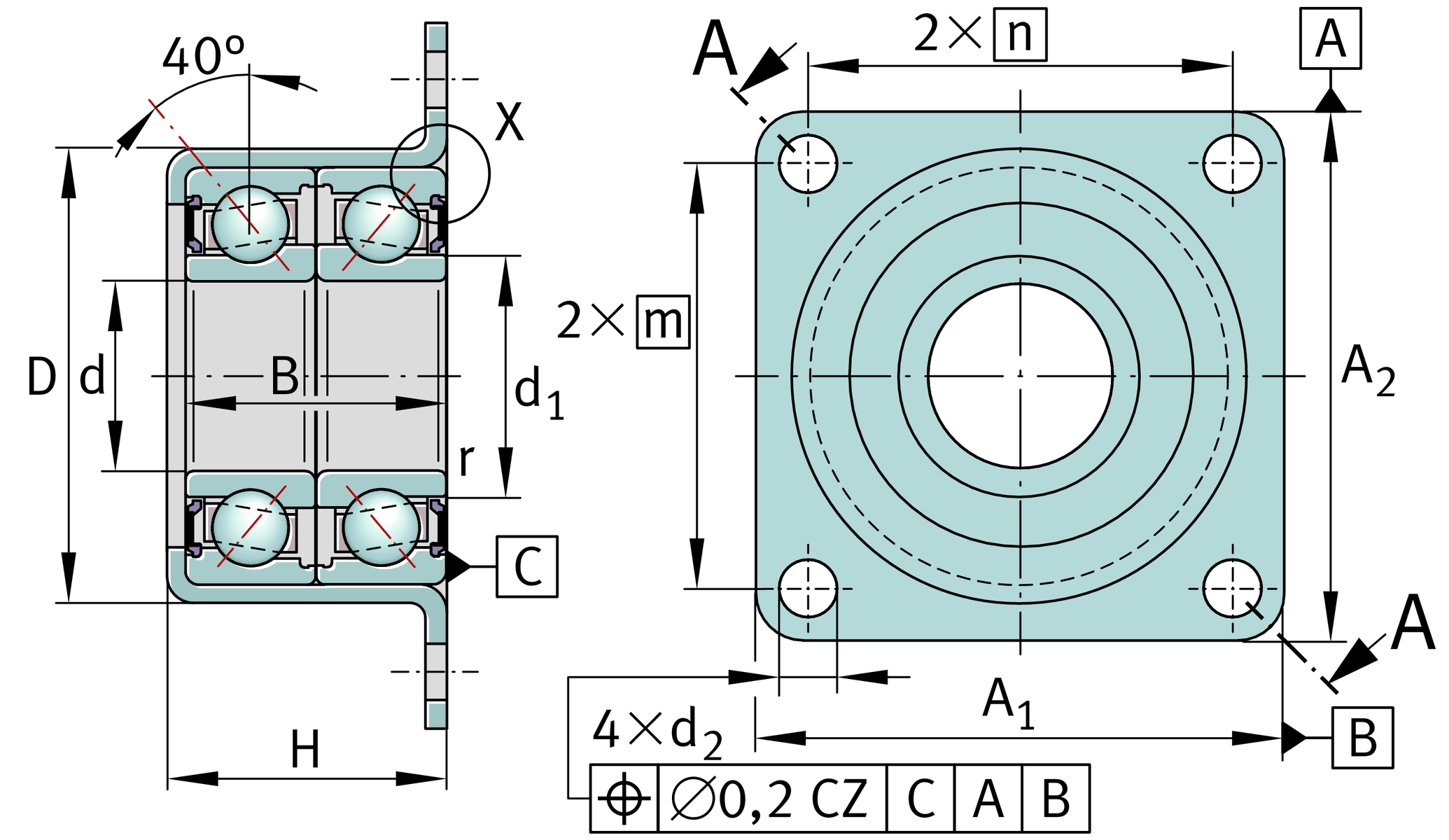
| d | 20 mm | Bore diameter |
0 mm | Bore diameter upper tolerance | |
-0.008 mm | Bore diameter lower tolerance | |
| D | 50.45 mm | Outside diameter bearing pot |
0.03 mm | Outside diameter bearing pot upper tolerance | |
-0.01 mm | Outside diameter bearing pot lower tolerance | |
| B | 28 mm | Width, inner ring |
0.25 mm | Inner ring width upper tolerance | |
-0.25 mm | Inner ring width lower tolerance | |
| Cr | 28,000 N | Basic dynamic load rating, radial |
| C0r | 19,100 N | Basic static load rating, radial |
| Ca | 27,500 N | Basic dynamic load rating, axial |
| C0a | 40,000 N | Basic static load rating, axial |
| Cur | 990 N | Fatigue load limit, radial |
| MRL | 0.3 Nm | Bearing friction torque |
| ≈m | 0.29 kg | Weight |
| da | 24 mm | Diameter shaft shoulder |
| Dai | 39 mm | Support diameter outer ring inside |
| Daa min | 47 mm | Minimum support diameter outer ring outside |
M6 | Screw size | |
| n | 4 | Number of screws |
| t1 | 0.2 mm | Position bore in the housing |
| d1 | 24.4 mm | Rib diameter inner ring |
| rmin | 0.3 mm | Minimum chamfer dimension |
| d2 | 6.6 mm | Fixing boring diameter |
| A1 | 60 mm | Flange width |
| A2 | 60 mm | Height flange |
| m | 47 mm | Bore distance height |
| n | 47 mm | Bore distance width |
| H | 30 mm | Height housing |
0 mm | Height housing upper tolerance | |
-0.5 mm | Height housing lower tolerance |
| caL | 250 N/µm | Rigidity axial |
| Mm | 0.263 kg*cm2 | Mass moment of inertia |
8 µm | Axial runout | |
ZM20 | Locknut 1 | |
AM20 | Locknut 2 | |
| MA | 18 Nm | Tightening torque nut |
| Sealing | 2RS | Contact lip seals on both sides |