PRODUCTS

  • Home
  • Giới thiệu sản phẩm

INA
ZKLF90190-2Z-XL
Axial angular contact ball bearing ZKLF90190-2Z-XL
Thêm vào yêu cầu báo giá
Main Dimensions & Performance Data
d
90 mm
Bore diameter
0 mm
Bore diameter upper tolerance
-0.008 mm
Bore diameter lower tolerance
D
190 mm
Outside diameter
0 mm
Outside diameter upper tolerance
-0.015 mm
Outside diameter lower tolerance
B
55 mm
Width
0 mm
Width upper tolerance
-0.25 mm
Width lower tolerance
Ca
149,000 N
Basic dynamic load rating, axial
C0a
395,000 N
Basic static load rating, axial
Cua
21,900 N
Fatigue load limit, axial
nG Grease
3,500 1/min
Limiting speed for grease lubrication
nϑ
2,300 1/min
Thermally safe operating speed
MR
2.3 Nm
Bearing frictional torque
≈m
7.806 kg
Weight

Mounting dimensions
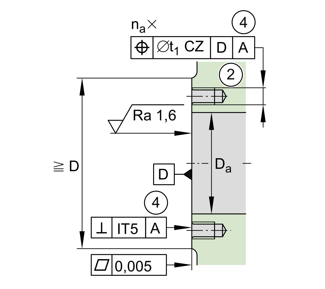
Da max
138 mm
Maximum diameter of housing
da min
116 mm
Minimum diameter shaft
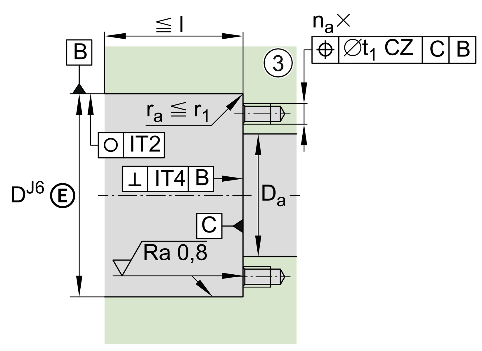
t1
0.2 mm
Position tolerance of bore in the housing
M10
Size of fixing screws
na
8
Number of holes in adjacent construction
ta
45 °
Pitch separation angle of holes in adjacent construction
M6
Connection thread for lubrication

Dimensions
d1
120 mm
Rib diameter inner ring
rmin
0.6 mm
Minimum chamfer dimension
r1 min
0.6 mm
Minimum chamfer dimension
J
165 mm
Pitch circle diameter fixing holes
d2
11 mm
Fixing holes diameter
b
3 mm
Width of extraction slot
I
45 mm
Distance of extraction slot
n
8
Pitch quantity of fixing holes
t
45 °
Pitch separation angle of fixing holes
a
60 °
Contact angle

Temperature range
Tmin
-30 °C
Operating temperature min.
Tmax
120 °C
Operating temperature max.

Additional information
caL
1,700 N/µm
Rigidity axial
ckL
4,400 Nm/mrad
Tilting rigidity
Mm
59.9 kg*cm2
Mass moment of inertia
3 µm
Axial runout
ZMA90/130
Recommended INA precision locknut for radial locking
AM90
Recommended INA precision locknut for axial locking
MA
200 Nm
Tightening torque for the recommended INA precision locknut
22,731 N
Required locknut force axial

Your current product variant
Sealing2ZMinimal gap seals on both sides
Tolerance classStandard
Thêm vào yêu cầu báo giá