PRODUCTS
- Home
- Giới thiệu sản phẩm
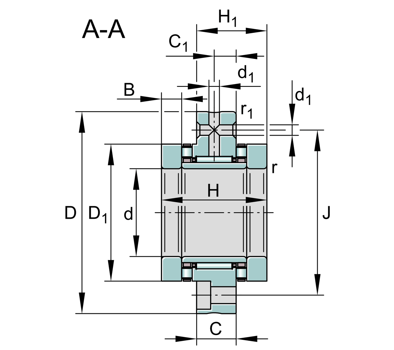
| d | 90 mm | Bore diameter |
| D | 210 mm | Outside diameter |
| H | 110 mm | Hight |
| Ca | 325,000 N | Basic dynamic load rating, axial |
| C0a | 1,030,000 N | Basic static load rating, axial |
| Cr | 98,000 N | Basic dynamic load rating, radial |
| C0r | 210,000 N | Basic static load rating, radial |
| Cua | 95,000 N | Fatigue load limit, axial |
| Cur | 29,000 N | Fatigue load limit, radial |
| nG Oil | 1,800 1/min | Limiting speed for oil lubrication |
| nG Grease | 700 1/min | Limiting speed for grease lubrication |
| MRL | 10.5 Nm | Bearing friction torque |
| ≈m | 13.536 kg | Weight |
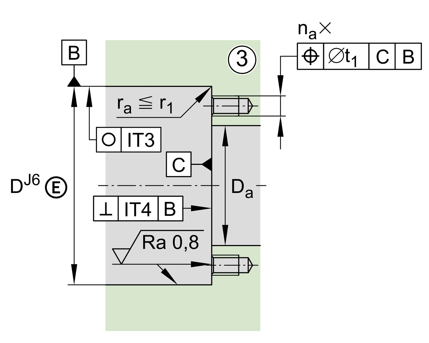
| Da max | 161 mm | Maximum diameter of housing shoulder |
| da min | 130 mm | Minimum diameter shaft shoulder |
| t1 | 0.4 mm | Position bore in the housing |
| H1 | 69.5 mm | Height outer ring over wave washer |
| C | 32 mm | Width, outer ring |
| C1 | 17.5 mm | Distance to lubrication hole |
| D1 | 160 mm | Rip diameter shaft washer |
| B | 22.5 mm | Width, inner ring |
| rmin | 0.3 mm | Minimum chamfer dimension |
| r1 min | 1 mm | Minimum chamfer dimension |
| d1 | 8 mm | Diameter lubrication hole |
| J | 180 mm | Pitch circle diameter (holes) |
| n | 16 | Number of screwing holes |
| n x t | 22.5 ° | Split |
| Tmin | -30 °C | Operating temperature min. |
| Tmax | 120 °C | Operating temperature max. |
| caL | 7,700 N/µm | Rigidity axial |
| ckL | 14,500 Nm/mrad | Tilting stiffness |
| Mm | 312 kg*cm2 | Mass moment of inertia |
2 µm | Axial runout | |
| radial | ZMA90/155 | Recommended INA precision locknut for radial locking (not included) |
| axial | AM90 | Recommended INA precision locknut for axial locking (not included) |
| MA | 960 Nm | Tightening torque nut |
100,669 N | Required locknut force | |
M12 | Screw size | |
| na | 16 | Number of screws |
| na x ta | 22.5 ° | Division (screwing holes) |
| Cage | TV | Plastic Cage made from PA66 |