PRODUCTS
- Home
- Giới thiệu sản phẩm
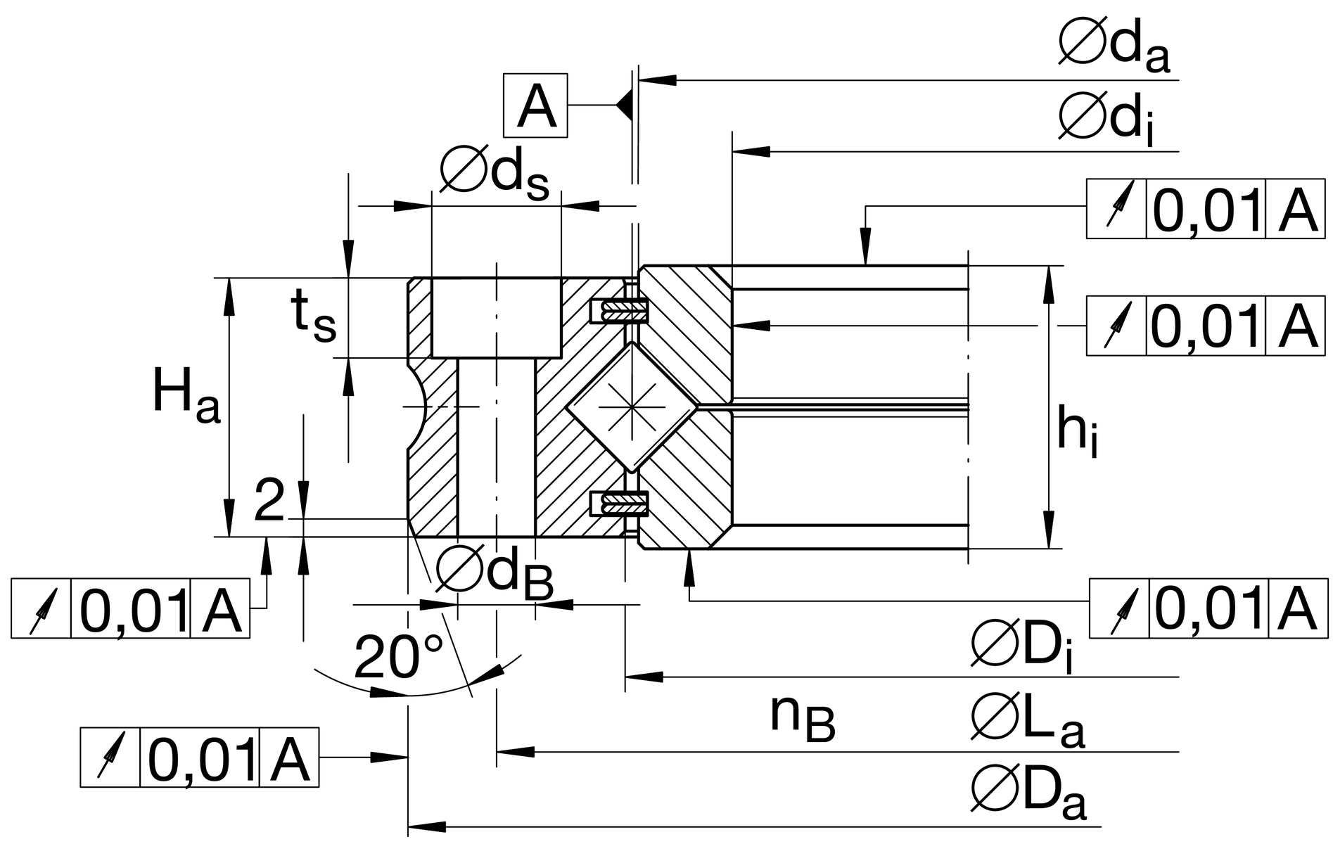
| d1 | 90 mm | Bore Diameter |
0.016 mm | Bore diameter upper tolerance | |
-0.006 mm | Bore diameter lower tolerance | |
| Da | 145 mm | Outside Diameter |
0 mm | Outside diameter upper tolerance | |
-0.025 mm | Outside diameter lower tolerance | |
| hi | 19 mm | heigth inner ring |
| ≈m | 1.197 kg | Weight |
| Di | 105.5 mm | Inner diameter outer ring |
| da | 104.5 mm | outer diameter inner ring |
| Ha | 18 mm | width outer ring |
| La | 130 mm | pitch circle diameter fixing holes |
| nB | 16 | Quantity of fixed holes evenly around the circumfence |
| dB | 6.6 mm | diameter fixing hole outer ring |
| dS | 11 mm | countersunk diameter of fixing holes |
| tS | 6.4 mm | countersunk depth of fixing holes |
| Tmin | -30 °C | Operating temperature min. |
| Tmax | 80 °C | Operating temperature max. |
0.01 mm | Running accuracy, radial | |
0.01 mm | Running accuracy, axial | |
| Ca | 35,000 N | Basic dynamic load rating, axial |
| C0a | 111,000 N | Basic static load rating, axial |
| Cr | 25,000 N | Basic dynamic load rating, radial (for radial load only) |
| C0r | 54,000 N | Basic static load rating, radial (for radial load only) |
| Fr zul. | 15,300 N | Max. radial load screws (frictional contact) |
| NG Grease | 728 1/min | Limiting speed for grease lubrication with normal clearance |
| NG Grease | 364 1/min | Limiting speed for grease lubrication with preload |