PRODUCTS

  • Home
  • Giới thiệu sản phẩm

FAG
UCPA205-13
Plummer block housing unit UCPA205-13
Thêm vào yêu cầu báo giá
Main Dimensions & Performance Data
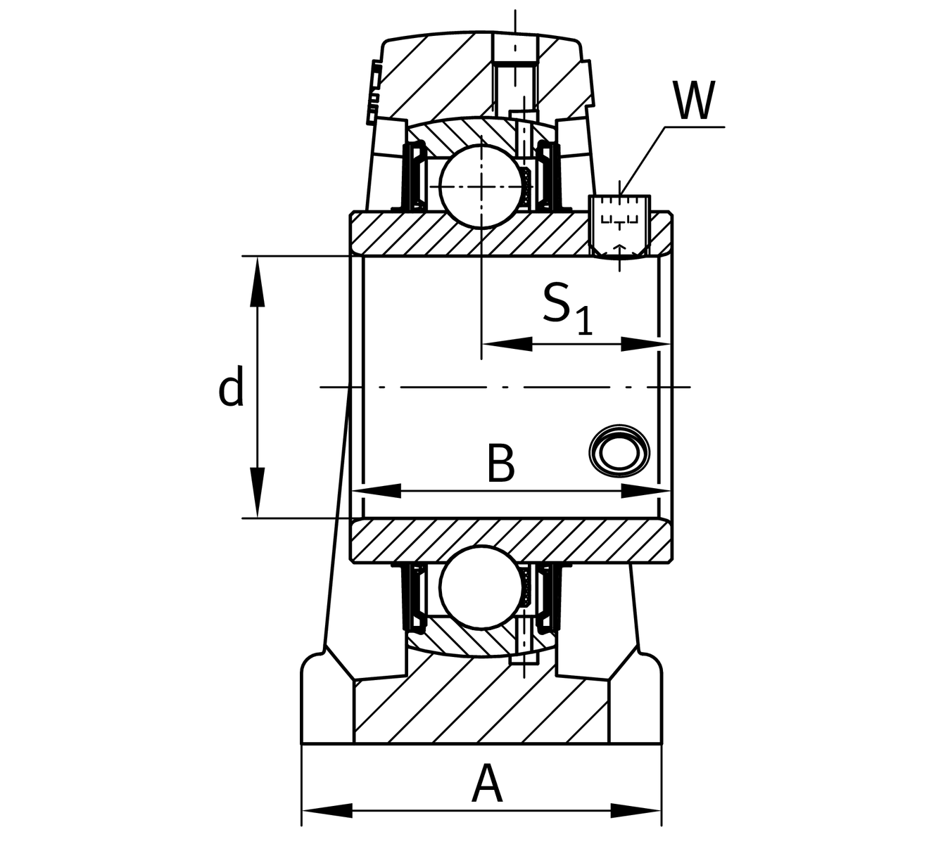
d
20.638 mm
Bore diameter
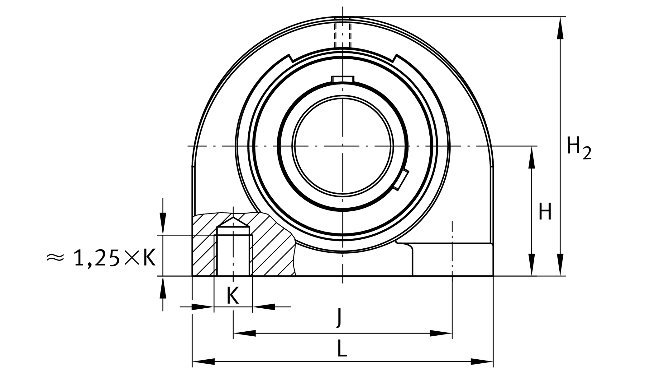
L
84 mm
Length total
H2
72 mm
Height
≈m
0.87 kg
Weight

Mounting dimensions
J
56 mm
Distance fixing bore
K
M10
Thread fixing bore

Dimensions
H
36.5 mm
Distance shaft axis
A
38 mm
Width (base)
Q
M6
Connection thread for lubrication
B
34.1 mm
Width of inner ring
S1
19.8 mm
Distance of raceway to locking collar

Additional information
PA205
Housing
UC205-13
Bearing designation

Temperature range
Tmin
-20 °C
Operating temperature min.
Tmax
120 °C
Operating temperature max.

Your current product variant
MaterialGGGrey cast iron
Housing clearanceJ7Normal swivel torque
DummyGGcast iron
Thêm vào yêu cầu báo giá