PRODUCTS
- Home
- Giới thiệu sản phẩm
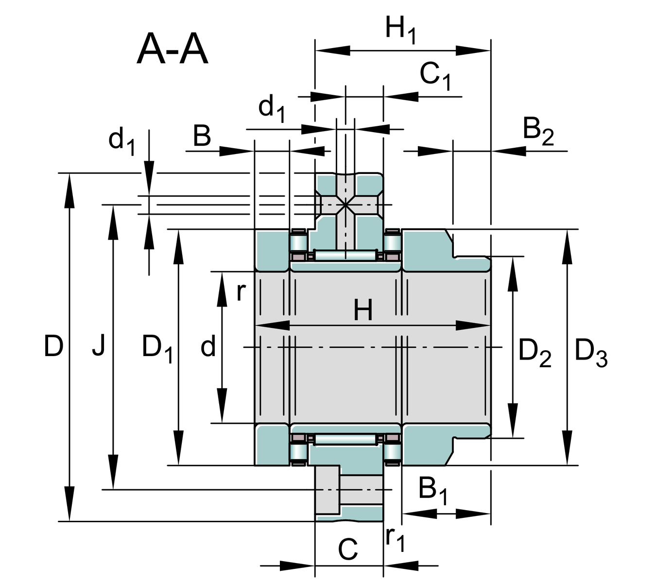
| d | 20 mm | Bore diameter |
| D | 68 mm | Outside diameter |
| H | 60 mm | Hight |
| Ca | 33,500 N | Basic dynamic load rating, axial |
| C0a | 76,000 N | Basic static load rating, axial |
| Cr | 14,900 N | Basic dynamic load rating, radial |
| C0r | 22,400 N | Basic static load rating, radial |
| Cua | 6,400 N | Fatigue load limit, axial |
| Cur | 3,400 N | Fatigue load limit, radial |
| nG Oil | 7,000 1/min | Limiting speed for oil lubrication |
| nG Grease | 2,000 1/min | Limiting speed for grease lubrication |
| MRL | 0.5 Nm | Bearing friction torque |
| ≈m | 0.534 kg | Weight |
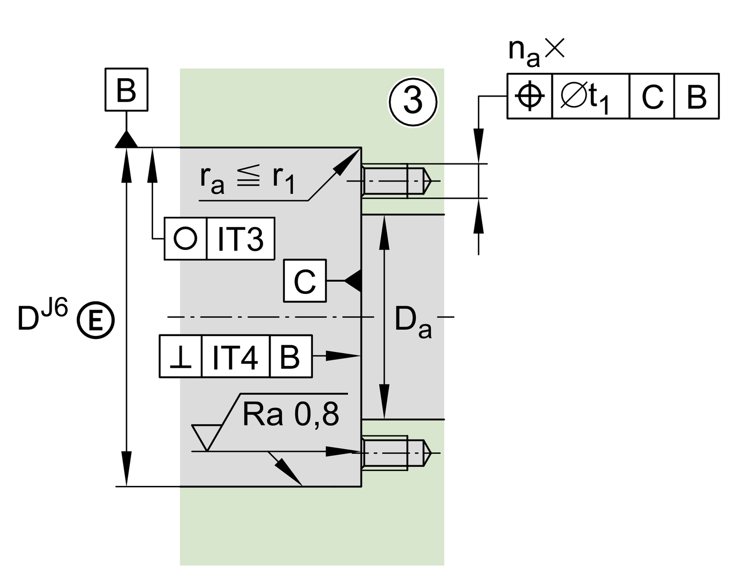
| Da max | 43 mm | Maximum diameter of housing shoulder |
| da min | 28 mm | Minimum diameter shaft shoulder |
| t1 | 0.1 mm | Position bore in the housing |
| H1 | 43 mm | Height outer ring over wave washer |
| C | 14 mm | Width, outer ring |
| C1 | 8 mm | Distance to lubrication hole |
| D1 | 42 mm | Rip diameter shaft washer |
| D2 | 30 mm | Heeldiameter wave washer long |
| D3 | 40 mm | Outside diameter wave washer long |
| B | 10 mm | Width, wave washer |
| B1 | 24 mm | Width wave washer long |
| B2 | 12 mm | Width heel wave washer long |
| rmin | 0.3 mm | Minimum chamfer dimension |
| r1 min | 0.6 mm | Minimum chamfer dimension |
| d1 | 3.2 mm | Diameter lubrication hole |
| J | 53 mm | Pitch circle diameter (holes) |
| n | 8 | Number of screwing holes |
| n x t | 45 ° | Split |
| Tmin | -30 °C | Operating temperature min. |
| Tmax | 120 °C | Operating temperature max. |
| caL | 1,800 N/µm | Rigidity axial |
| ckL | 230 Nm/mrad | Tilting stiffness |
| Mm | 0.683 kg*cm2 | Mass moment of inertia |
1 µm | Axial runout | |
| radial | ZMA20/38 | Recommended INA precision locknut for radial locking (not included) |
| axial | AM20 | Locknut 2 |
| MA | 18 Nm | Tightening torque nut |
8,972 N | Preload force axial | |
30X42X7 | Sealing ring | |
M6 | Screw size | |
| na | 8 | Number of screws |
| na x ta | 45 ° | Division (screwing holes) |
| Cage | TV | Plastic Cage made from PA66 |
| Locating Feature , bearing outer ring | L | Stepped shaft locating washer extended on one side |