PRODUCTS

  • Home
  • Giới thiệu sản phẩm

FAG
16026-C4
Deep groove ball bearing 16026-C4
Thêm vào yêu cầu báo giá
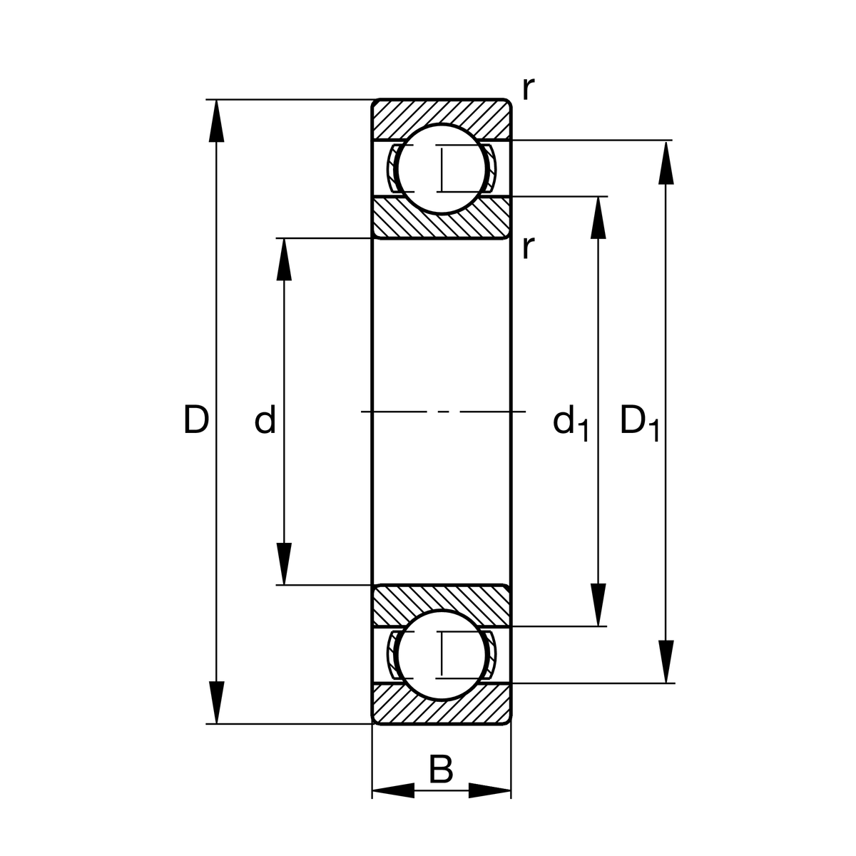
Main Dimensions & Performance Data
d
130 mm
Bore diameter
D
200 mm
Outside diameter
B
22 mm
Width
Cr
84,000 N
Basic dynamic load rating, radial
C0r
82,000 N
Basic static load rating, radial
Cur
3,750 N
Fatigue load limit, radial
nG
4,650 1/min
Limiting speed
nϑr
3,450 1/min
Reference speed
≈m
2.41 kg
Weight

Mounting dimensions
da min
136 mm
Minimum diameter shaft shoulder
Da max
194 mm
Maximum diameter of housing shoulder
ra max
1 mm
Maximum fillet radius

Dimensions
rmin
1.1 mm
Minimum chamfer dimension
D1
176.74 mm
Shoulder diameter outer ring
d1
154.72 mm
Shoulder diameter inner ring

Temperature range
Tmin
-30 °C
Operating temperature min.
Tmax
150 °C
Operating temperature max.

Calculation factors
f0
16.4
Calculation factor

Your current product variant
SealingWithoutNot sealed
CageJNsteel sheet metal
Tolerance classPNNormal (PN)
Dimensional / heat stabilization S0Rings dimensional stabilized up to 150°
LubricantWithoutBearing not greased
Bore typeZCylindrical
Radial internal clearanceC4 (Group 4)Internal clearance larger than C3
Thêm vào yêu cầu báo giá