PRODUCTS

  • Home
  • Giới thiệu sản phẩm

FAG
UCT218-56
Take-up housing unit UCT218-56
Thêm vào yêu cầu báo giá
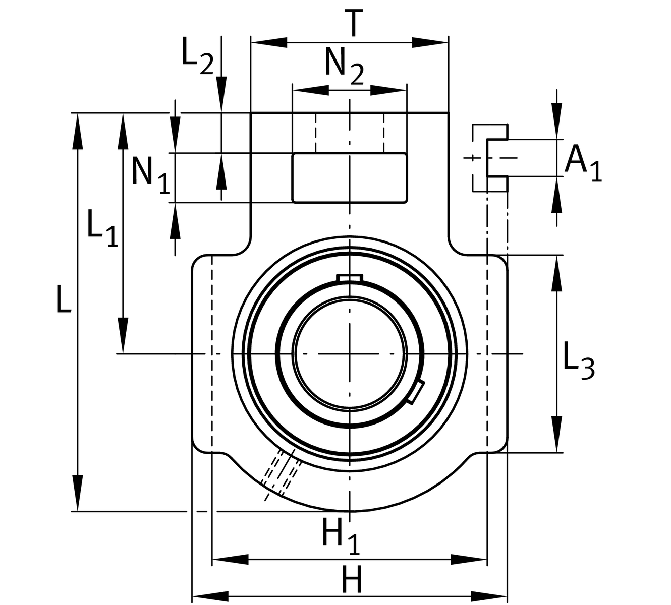
Main Dimensions & Performance Data
d
88.9 mm
Bore diameter
H
215 mm
Height
L
275 mm
Length total
≈m
12.37 kg
Weight

Mounting dimensions
A1
28 mm
Width guidance groove
0.3 mm
Upper width guidance groove tolerance
0 mm
Lower width guidance groove tolerance
H1
190 mm
Distance guidance grooves
0 mm
Upper distance guidance groove tolerance
-0.8 mm
Lower distance guidance groove tolerance
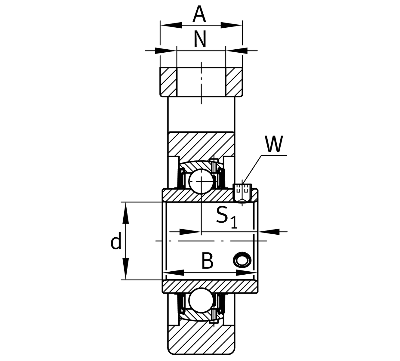
N
47 mm
Fixing bore

Dimensions
L1
170 mm
Distance shaft axis
L2
30 mm
Length fixed link
L3
140 mm
Length guidance groove
A
80 mm
Width housing fixing side
N1
40 mm
Width recess
N2
80 mm
Height recess
B
96 mm
Width inner ring
S1
56.3 mm
Distance of raceway to locking collar
T
130 mm
Height housing fixing side
Q
M6
Connection thread for lubrication
A2
55 mm
Width housing

Additional information
T218
Housing
UC218-56
Bearing designation

Temperature range
Tmin
-20 °C
Operating temperature min.
Tmax
120 °C
Operating temperature max.

Your current product variant
MaterialGGGrey cast iron
Thêm vào yêu cầu báo giá