PRODUCTS

  • Home
  • Giới thiệu sản phẩm

INA
TTUE80-XL
Take-up housing unit TTUE80-XL
Thêm vào yêu cầu báo giá
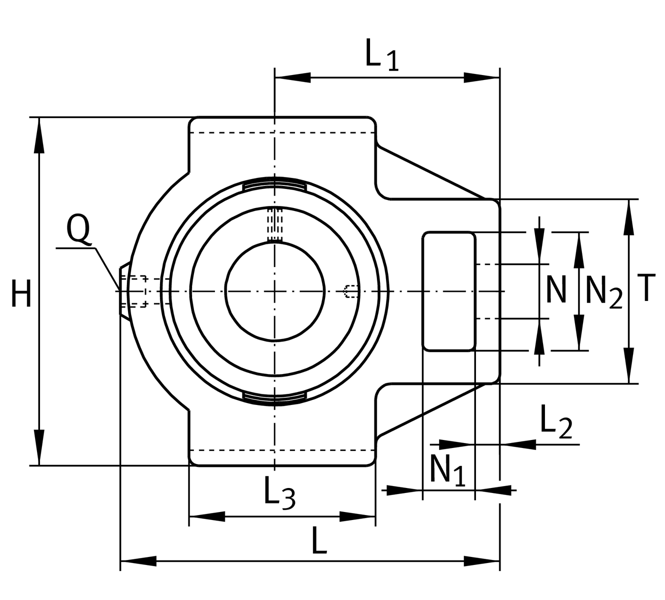
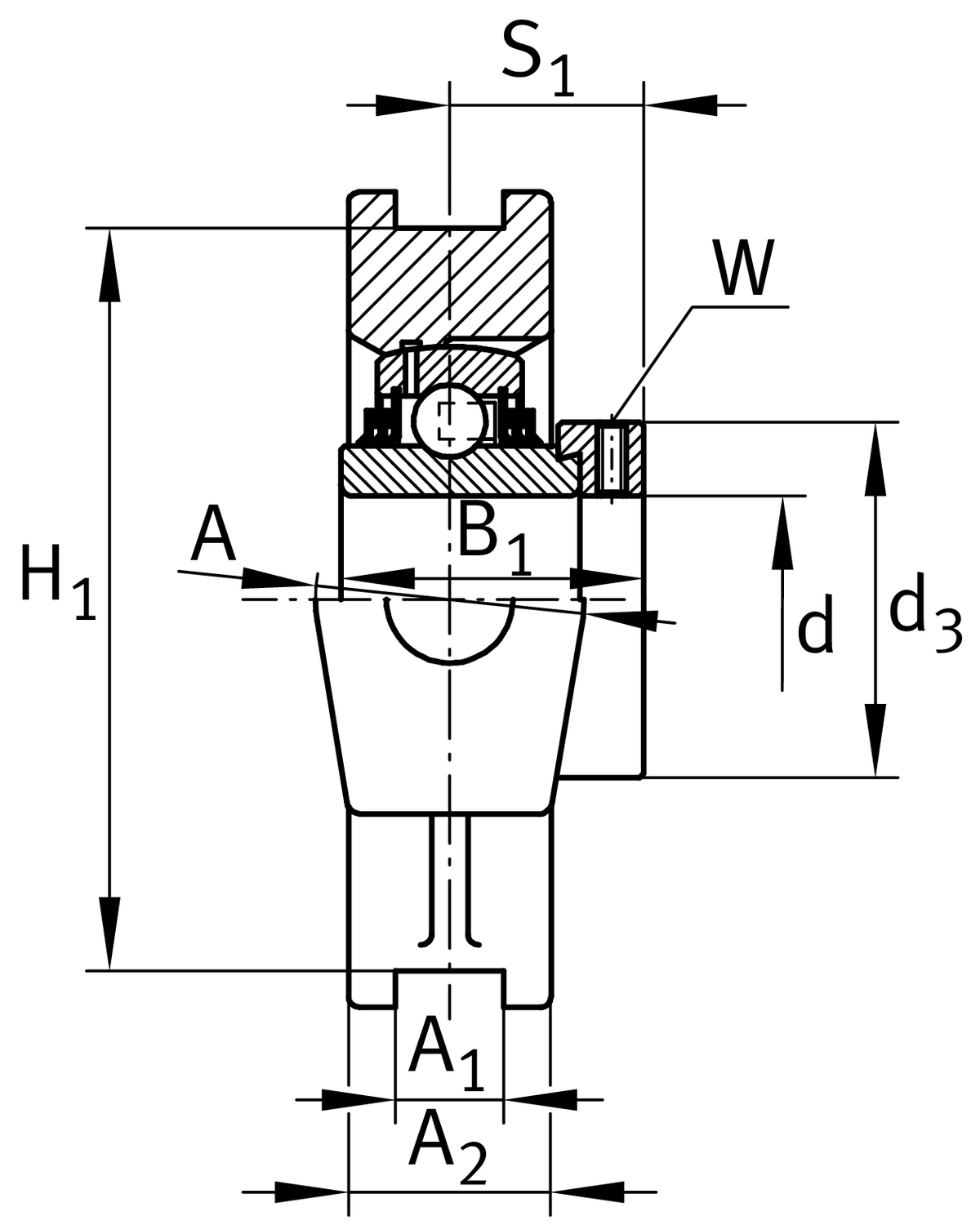
Main Dimensions & Performance Data
d
80 mm
Bore diameter
H
184 mm
Height
L
230 mm
Length total
B1
70.7 mm
Locking collar total width
≈m
7.7 kg
Weight

Mounting dimensions
A1
28 mm
Width guidance groove
H13
Width guidance groove clearance
H1
165 mm
Distance guidance grooves
0.25 mm
Upper distance guidance groove tolerance
-0.25 mm
Lower distance guidance groove tolerance
N
41 mm
Fixing bore

Dimensions
L1
140 mm
Distance shaft axis
L2
20 mm
Length fixed link
L3
120 mm
Length guidance groove
A
70 mm
Width housing fixing side
N1
35 mm
Width recess
N2
70 mm
Height recess
S1
47.3 mm
Distance of raceway to locking collar
T
110 mm
Height housing fixing side
Q
M6
Connection thread for lubrication
A2
50 mm
Width housing

Additional information
TUE16
Housing
GE80-XL-KTT-B
Bearing designation

Temperature range
Tmin
-20 °C
Operating temperature min.
Tmax
120 °C
Operating temperature max.

Your current product variant
MaterialGGGrey cast iron
Thêm vào yêu cầu báo giá