PRODUCTS

  • Home
  • Giới thiệu sản phẩm

INA
BK1614-RS
Drawn cup needle roller bearing closed end BK1614-RS
Thêm vào yêu cầu báo giá
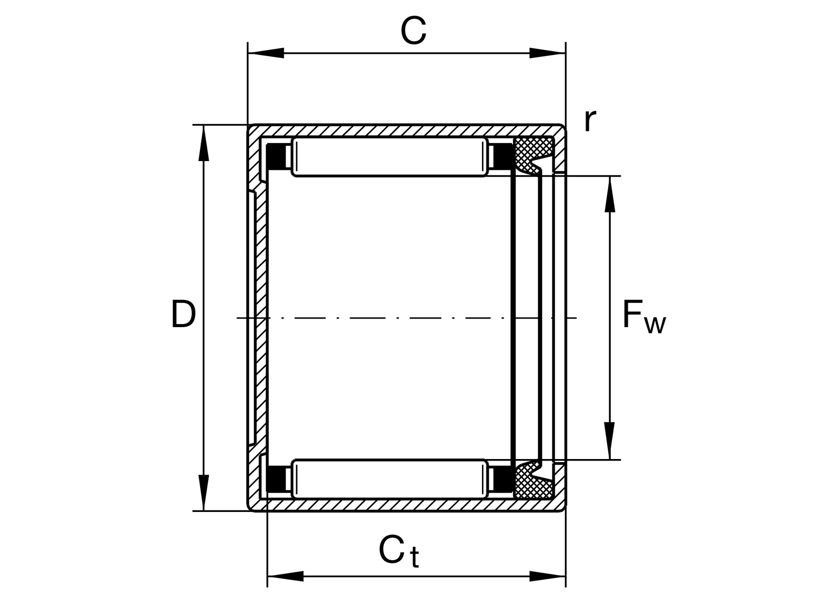
Main Dimensions & Performance Data
Fw
16 mm
Under roller diameter
D
22 mm
Outside diameter
C
14 mm
Width, outer ring
Cr
7,600 N
Basic dynamic load rating, radial
C0r
9,700 N
Basic static load rating, radial
Cur
1,180 N
Fatigue load limit, radial
nG Grease
9,300 1/min
Limiting speed for grease lubrication
nG
9,300 1/min
Limiting speed
≈m
15 g
Weight

Dimensions
rmin
0.8 mm
Minimum chamfer dimension
Ct min
11.3 mm
Minimum width to base of drawn cup with closed end

Temperature range
Tmin
-20 °C
Operating temperature min.
Tmax
100 °C
Operating temperature max.

Additional information
IR12X16X13-XL
Suitable inner rings IR

Your current product variant
LubricantL271Grease (L271/customer specific)
Lubrication holeWithout
CoatingWithout
SealingRSContact seal on one sides
Thêm vào yêu cầu báo giá