PRODUCTS
- Home
- Giới thiệu sản phẩm
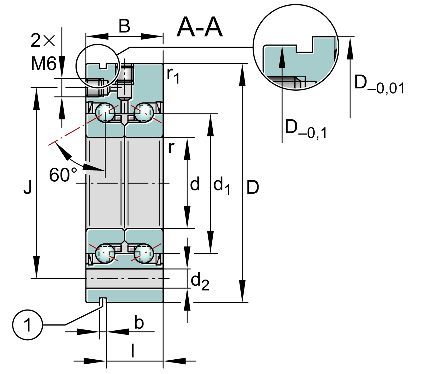
| d | 17 mm | Bore diameter |
0 mm | Bore diameter upper tolerance | |
-0.01 mm | Bore diameter lower tolerance | |
| D | 62 mm | Outside diameter |
0 mm | Outside diameter upper tolerance | |
-0.013 mm | Outside diameter lower tolerance | |
| B | 25 mm | Width |
0 mm | Width upper tolerance | |
-0.25 mm | Width lower tolerance | |
| Ca | 18,900 N | Basic dynamic load rating, axial |
| C0a | 31,500 N | Basic static load rating, axial |
| Cua | 1,440 N | Fatigue load limit, axial |
| nG Grease | 7,600 1/min | Limiting speed for grease lubrication |
| nϑ | 3,300 1/min | Thermally safe operating speed |
| MR | 0.24 Nm | Bearing frictional torque |
| ≈m | 0.452 kg | Weight |
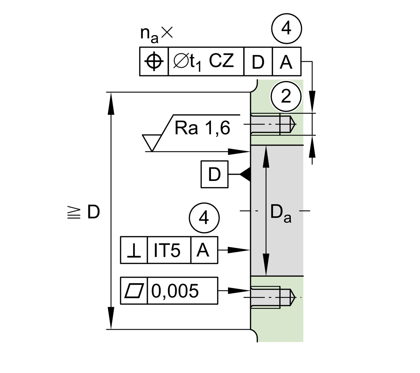
| Da max | 37 mm | Maximum diameter of housing |
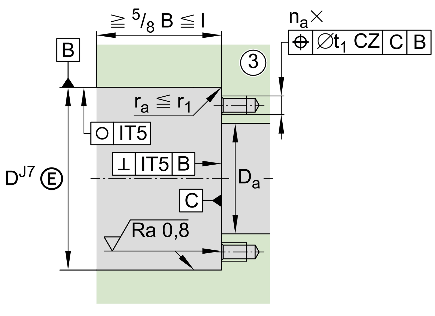
| da min | 23 mm | Minimum diameter shaft |
| t1 | 0.1 mm | Position tolerance of bore in the housing |
M6 | Size of fixing screws | |
| na | 3 | Number of holes in adjacent construction |
| ta | 120 ° | Pitch separation angle of holes in adjacent construction |
M6 | Connection thread for lubrication |
| d1 | 30 mm | Rib diameter inner ring |
| rmin | 0.3 mm | Minimum chamfer dimension |
| r1 min | 0.6 mm | Minimum chamfer dimension |
| J | 48 mm | Pitch circle diameter fixing holes |
| d2 | 6.8 mm | Fixing holes diameter |
| b | 3 mm | Width of extraction slot |
| I | 17 mm | Distance of extraction slot |
| n | 6 | Pitch quantity of fixing holes |
| t | 60 ° | Pitch separation angle of fixing holes |
| a | 60 ° | Contact angle |
| Tmin | -30 °C | Operating temperature min. |
| Tmax | 120 °C | Operating temperature max. |
| caL | 450 N/µm | Rigidity axial |
| ckL | 80 Nm/mrad | Tilting rigidity |
| Mm | 0.132 kg*cm2 | Mass moment of inertia |
5 µm | Axial runout | |
ZM17 | Recommended INA precision locknut for radial locking | |
AM17 | Recommended INA precision locknut for axial locking | |
| MA | 15 Nm | Tightening torque for the recommended INA precision locknut |
7,514 N | Required locknut force axial |
| Sealing | 2RS | Contact lip seals on both sides |
| Tolerance class | PE | Less stringent bearing design |