PRODUCTS
- Home
- Giới thiệu sản phẩm
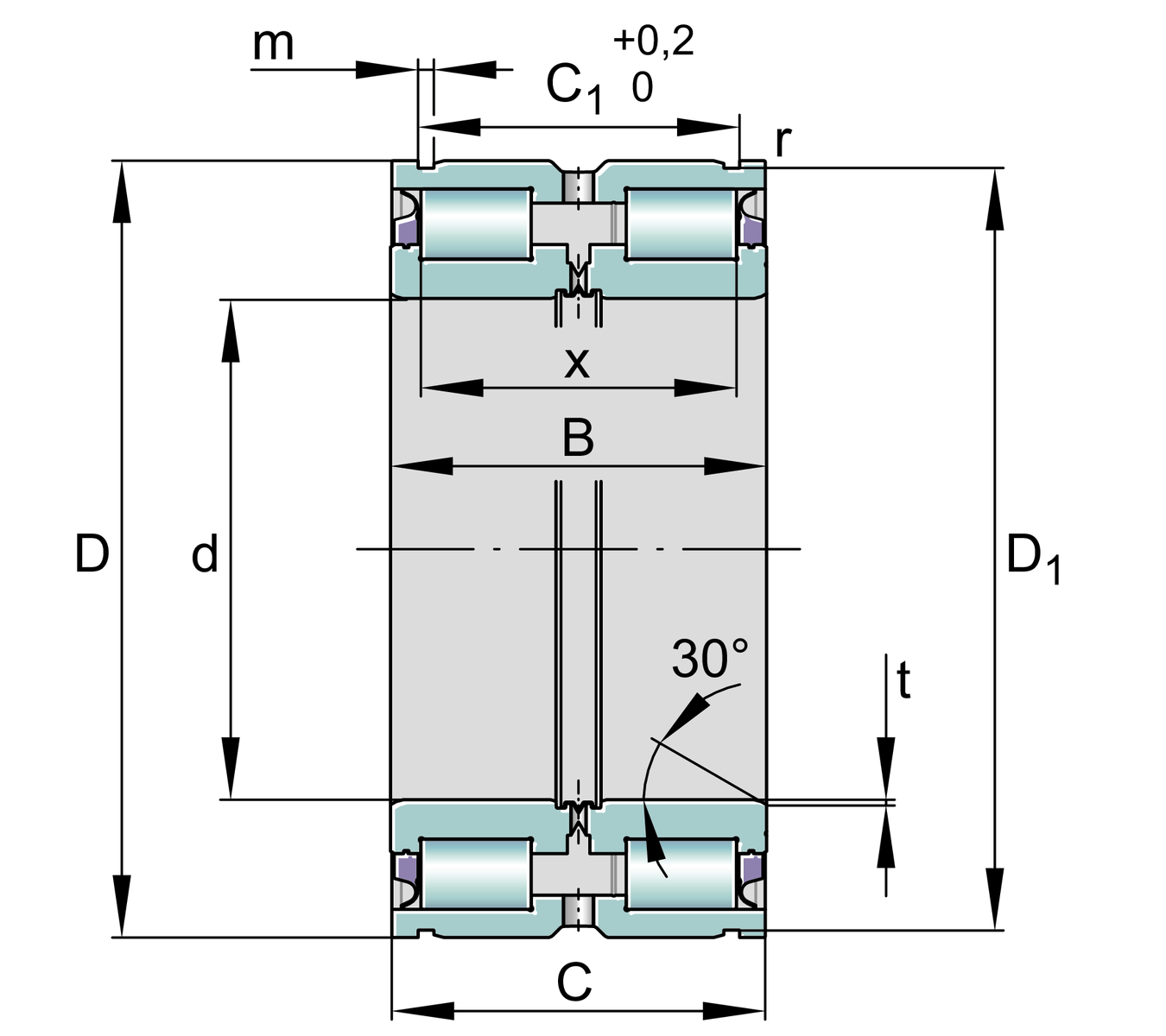
| d | 100 mm | Bore diameter |
| D | 150 mm | Outside diameter |
| B | 67 mm | Width |
| Cr | 330,000 N | Basic dynamic load rating, radial |
| C0r | 550,000 N | Basic static load rating, radial |
| Cur | 79,000 N | Fatigue load limit, radial |
| nG Grease | 1,300 1/min | Limiting speed for grease lubrication |
| ≈m | 3.74 kg | Weight |
| Ca1 | 54 mm | Mounting dim for snap ring WRE (not included in delivery) Tolerance: 0/-0,2 |
| Ca2 | 51 mm | Mounting dim for retaining ring to DIN 471 (not incl. In delivery) Tol: 0/-0,2 |
| d1 | 117.5 mm | Rib diameter inner ring |
| d2 | 128 mm | Sealing diameter (rib) |
| d3 | 162 mm | Outside diameter of snap ring WRE |
| d1 min | 118 mm | Minimum diameter shaft shoulder |
30 ° | Chamfer angle | |
-0.2 mm | Lower distance snap ring tolerance | |
-0.2 mm | Lower distance retaining ring tolerance | |
0 mm | Upper distance snap ring tolerance | |
0 mm | Upper distance retaining ring tolerance | |
0 mm | Lower distance ring groove tolerance | |
0.2 mm | Upper distance ring groove tolerance |
| C | 66 mm | Width, outer ring |
| C1 | 59.2 mm | Distance ring grooves |
| D1 | 147 mm | Diameter of groove |
| m | 4.2 mm | Width of groove |
| rmin | 0.6 mm | Minimum chamfer dimension |
| t | 1.5 mm | Chamfer width |
| X | 54 mm | Distance between rolling elements |
| Tmin | -30 °C | Operating temperature min. |
| Tmax | 80 °C | Operating temperature max. |
| Design | D | New outer Contour |
| Sealing | PP | Contact Seal on both sides |
| Radial internal clearance | C3 (Group 3) | Internal clearance larger than CN |
| Tolerance class | PN | Normal (PN) |
| Number of rolling element rows | 2 | Double-row design |